EasyManua.ls Logo

Gardner Denver EMCO WHEATON E2110 - 4 Warranty; 5 Delivery and Storage

Gardner Denver EMCO WHEATON E2110
21 pages
Print Icon
To Next Page IconTo Next Page
To Next Page IconTo Next Page
To Previous Page IconTo Previous Page
To Previous Page IconTo Previous Page
Loading...
Instruction Manual
Top & Bottom Loading Arms
E2110, E2112, E2022, E2025
E2033, E2304, E2573, E2123,
E2313, E2121
- 6 -
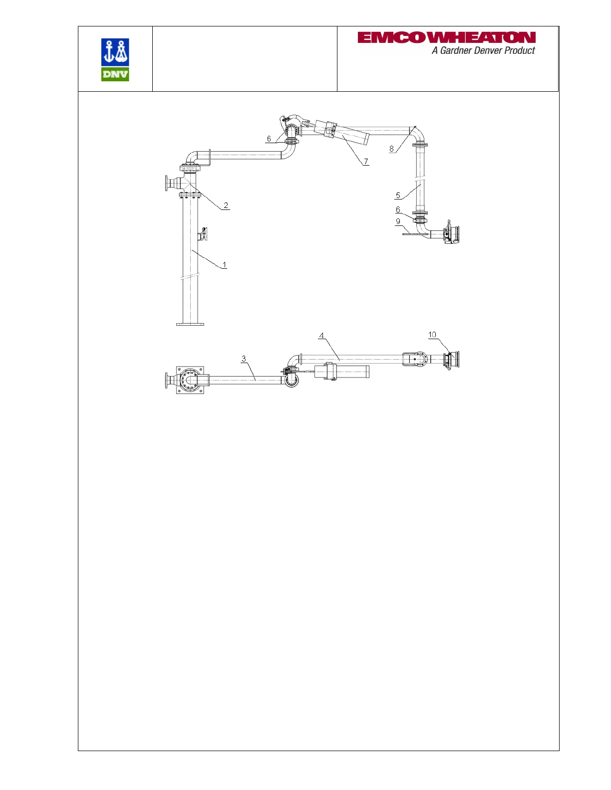
Figure 4
4 Warranty
EMCO WHEATON grants a warranty for the loading arm. Refer to your order
confirmation or the EMCO WHEATON Terms and Conditions.
Items NOT covered under warranty are:
Damage caused by inappropriate handling and storage
Damage caused by faulty installation
Damage caused by incorrect adjustment
Components with removed or illegible labelling
Damage caused by incorrect operation
Worn parts
5 Delivery and Storage
All EMCO WHEATON products are secured and packed carefully at the factory.
Although the utmost care has been taken in preparing the loading arm for
shipment, please inspect for transport damages and completeness on receipt of
goods. Notify EMCO WHEATON about any findings or concerns immediately.
Claims submitted on a later date cannot be accepted.
Store the goods in a sheltered area as soon as the delivery is received and cover
them properly to protect them from dirt and moisture. Provide ventilation to avoid
corrosion caused by condensation.

Related product manuals