EasyManua.ls Logo

Garmin 22 - CANet Wiring for the Garmin GSD 22

Garmin 22
10 pages
Print Icon
To Next Page IconTo Next Page
To Next Page IconTo Next Page
To Previous Page IconTo Previous Page
To Previous Page IconTo Previous Page
Loading...
3GSD 22 Sonar Module
INSTALLATION INSTRUCTIONS
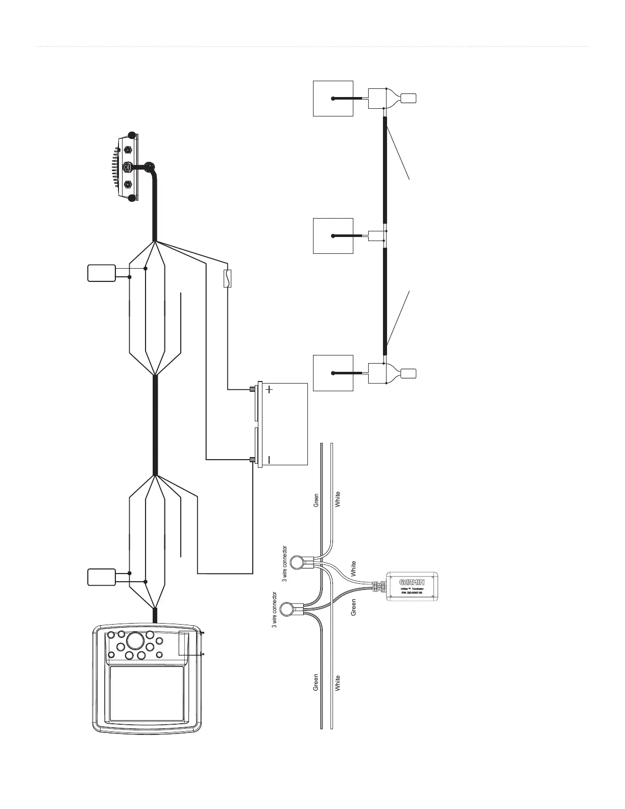
CANet Wiring for the Garmin GSD 22
Notes:
1. Power and ground wires require 18 AWG. You can extend the CANet wiring of the GSD 22 power/data cable up to 80 ft (24.38 m) total length using the
CANet Connections Kit.
2. The CANet Extension Cable can support a maximum of two display units and one sonar unit.
3. The maximum length of cable from the CANet Extension Cable to the sonar or display units is 6 ft.
4. Refer to the chartplotters installation instructions for wiring the GPS 17 sensor and other devices.
5. Ground the drain wire on the first display unit. Do not ground the drain wire on the subsequent display units or the sonar unit.
6. The CANet Extension Cable Black wire is reserved for future use. When inserting a CANet unit on the CANet Extension Cable, reconnect all wires according
to their color.
Green
White
Green
3 wire connector
3 wire connector
Green
White
White
To Sounder
To Chartplotter
CANet Terminator
GSD 22
SOUNDER
MODULE
BLACK
ORANGE
GREEN
WHITE
CANet
Terminator
CANet
Terminator
CANet
Extension Cable
RED
BLACK
FUSE
3A
BLACK
DRAIN
ORANGE
GREEN
WHITE
BATTERY
10-35 VOLTS DC
CANet
Unit
CANet
Unit
CANet
Unit
The CANet Extension Cable can be cut to any length
1 ft to 80 ft and a CANet compatible device can be
inserted on the cable at any point between the two CANet
Terminators.
CANet
Terminator
CANet
Terminator

Related product manuals