EasyManua.ls Logo

GARO TWIN+ - Page 17

GARO TWIN+
23 pages
Print Icon
To Next Page IconTo Next Page
To Next Page IconTo Next Page
To Previous Page IconTo Previous Page
To Previous Page IconTo Previous Page
Loading...
USER MANUAL
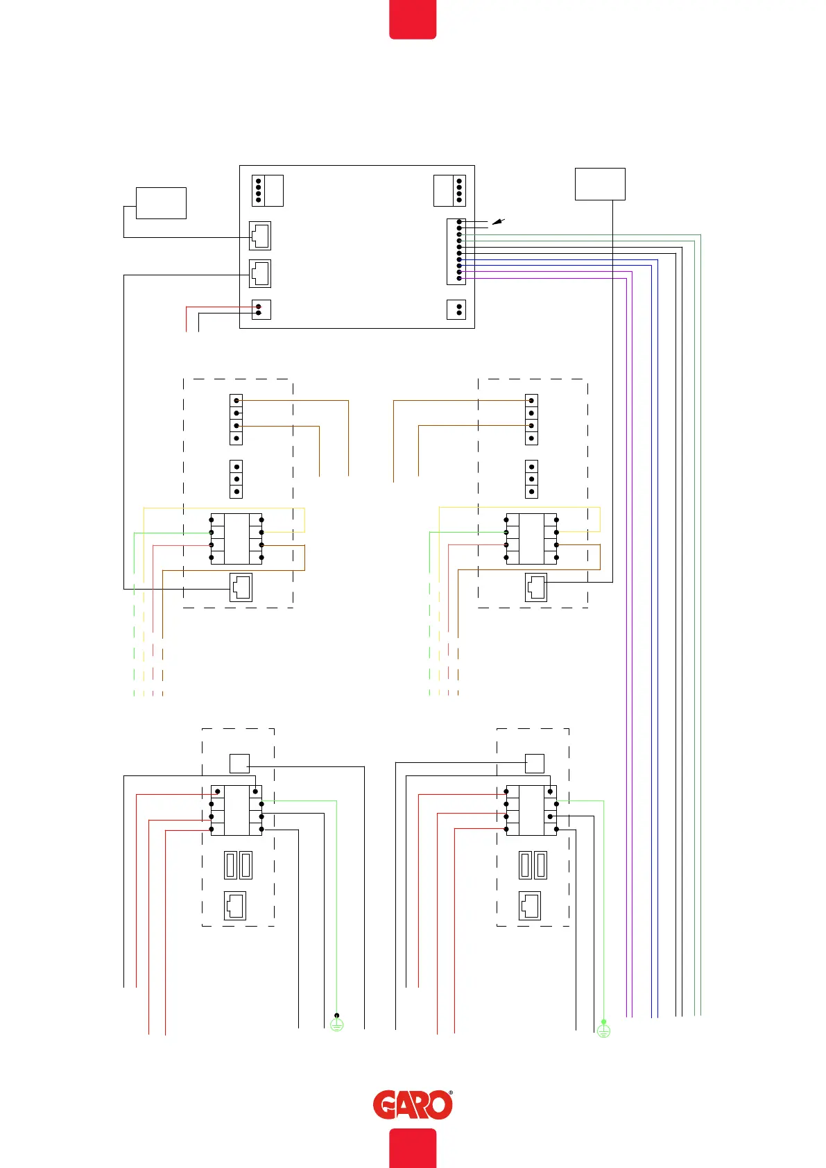
OUT IN
OUT IN
-++-
-++-
CC RFID
12V
+
GND
CT
0
V
12V
P
E
PE
1
A
1B
C
P
PP
246 8
5 71 3
Opto1 In-
Opto1 In+
Motor BMotor A
Motor HS1
Relais 13
Motor HS2
Relais 14
GND2 Modbus
B2 Modbus
A2 Modbus
WA
Relais 23
WA
Relais 24
Eth 1
10/100
RJ45
CT
0
V
12V
P
E
PE
1
A
1B
C
P
PP
246 8
5 71 3
Opto1 In-
Opto1 In+
Motor BMotor A
Motor HS1
Relais 13
Motor HS2
Relais 14
GND2 Modbus
B2 Modbus
A2 Modbus
WA
Relais 23
WA
Relais 24
Eth 1
10/100
RJ45
Purple
Purple
Dark Blue
Dark Blue
White
White
Green
Green
R17
R18
R19
R20
HEAT
FB1-13
FB1-14
FC1-23
FC1-24
FB2-13
FB2-14
FC2-23
CT1
CT2
P1-8
P1-9
P2-8
DC Plint
AC plint
QA2-A1
DC PLINT
DC PLINT
Klipp dessa två kablar
Cut these two cables
RFID 2
RFID 1
CC1 (LAN)
CC2 (LAN)
Up side
Up side
P2-9
XD1-PP
XD1-CP
White/Vit
XD2-CP
White/Vit
XD2-PP
Dwon Side
RE/BL
BR/BL
-XD1
GR/BL
YE/BL
RE/BL
BR/BL
-XD2
GR/BL
YE/BL
Down Side
Top Card
-KF1
AC plint
QA1-A1
17
EN

Related product manuals