EasyManua.ls Logo

Garrard MRM101 - Page 7

Garrard MRM101
15 pages
Print Icon
To Next Page IconTo Next Page
To Next Page IconTo Next Page
To Previous Page IconTo Previous Page
To Previous Page IconTo Previous Page
Loading...
c
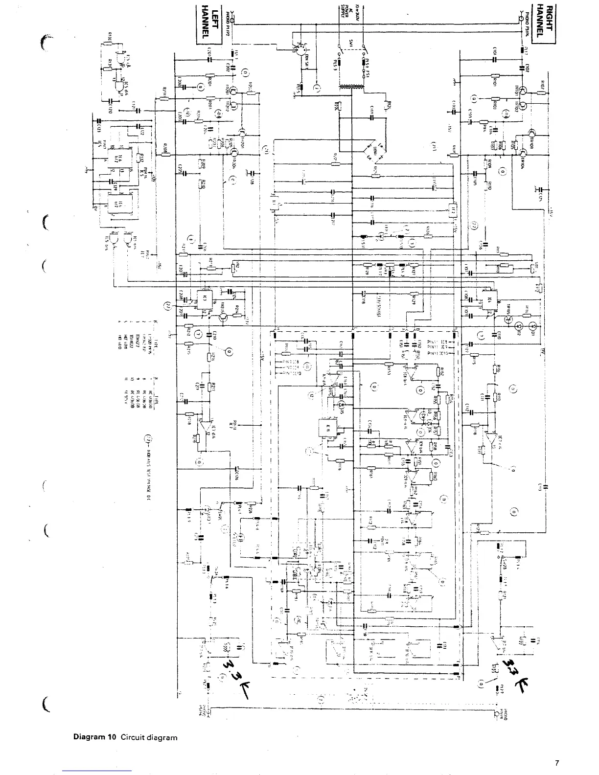
Diagram 10 Circuit diagram