EasyManua.ls Logo

GE CT ProSpeed Series - Page 106

GE CT ProSpeed Series
184 pages
To Next Page IconTo Next Page
To Next Page IconTo Next Page
To Previous Page IconTo Previous Page
To Previous Page IconTo Previous Page
Loading...
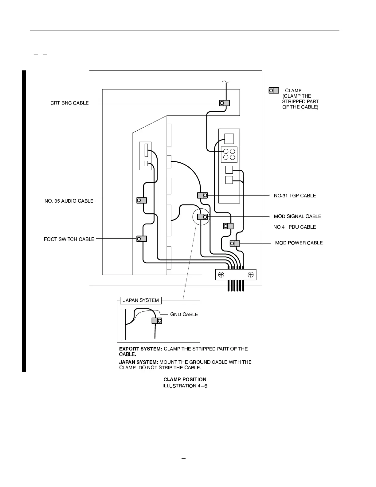
*( 0(',&$/ 6<67(06 &7 35263((' 6(5,(6 ,167$//$7,21


5(9 
2& &DEOH &RQQHFWLRQ )RU 2& [[[ RU ODWHU FRQWLQXHG
&/$03
&/$03 7+(
675,33(' 3$57
2) 7+( &$%/(
&57 %1& &$%/(
12 7*3 &$%/(
02' 6,*1$/ &$%/(
12 3'8 &$%/(
02' 32:(5 &$%/(
12 $8',2 &$%/(
)227 6:,7&+ &$%/(
(;3257 6<67(0
&/$03 7+( 675,33(' 3$57 2) 7+(
&$%/(
-$3$1 6<67(0
02817 7+( *5281' &$%/( :,7+ 7+(
&/$03 '2 127 675,3 7+( &$%/(
*1' &$%/(
-$3$1 6<67(0
&/$03 326,7,21
,//8675$7,21

Related product manuals