EasyManua.ls Logo

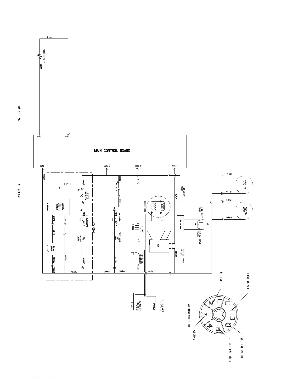
GE GBSC0 - Model GBSC0 Wiring Schematic

GE GBSC0
60 pages
Print Icon
To Next Page IconTo Next Page
To Next Page IconTo Next Page
To Previous Page IconTo Previous Page
To Previous Page IconTo Previous Page
Loading...
– 58 –
Model GBSC0
R 4.07
S 6.0 7

Related product manuals