EasyManua.ls Logo

GE GEH50DEED - Page 51

GE GEH50DEED
78 pages
To Next Page IconTo Next Page
To Next Page IconTo Next Page
To Previous Page IconTo Previous Page
To Previous Page IconTo Previous Page
Loading...
– 51 –
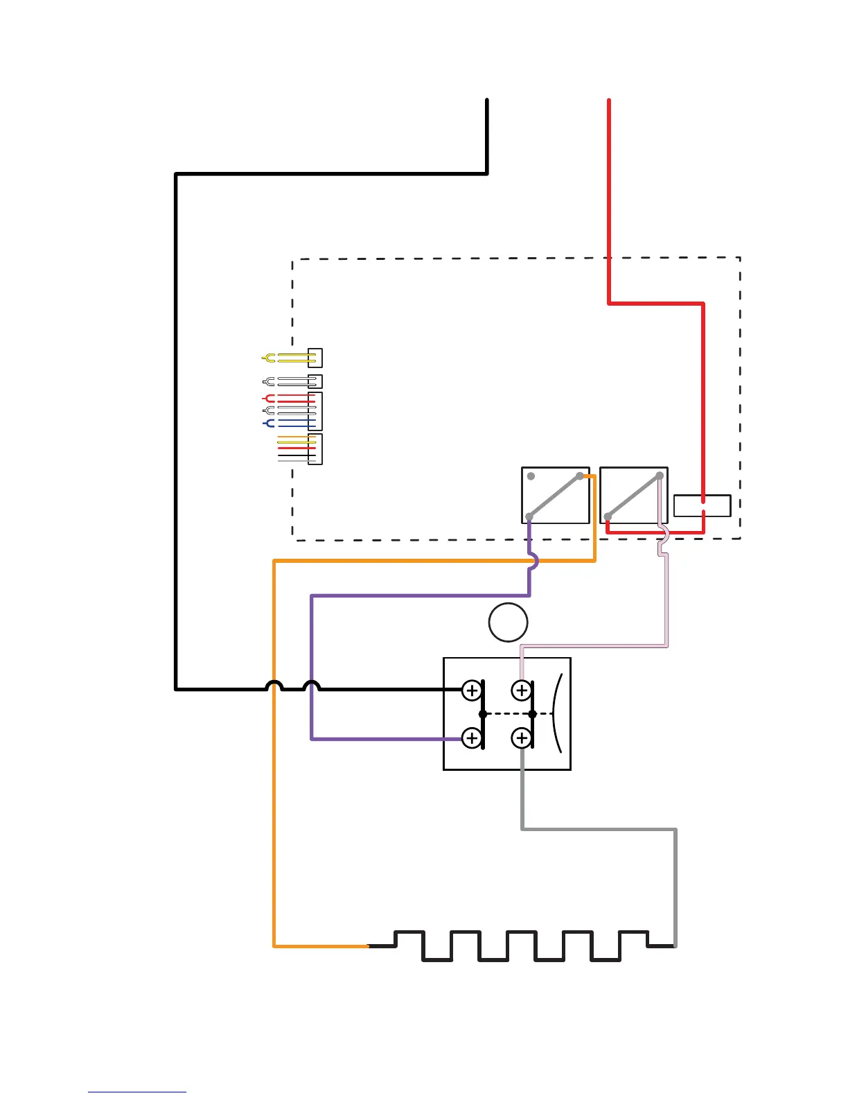
Upper Element Circuit
UE
DLB
TCO
170°F
UPPER ELEMENT
T2
NO
NO
COMCOM
NC
L1
L2
GRAY
ORANGE
PINK
VIOLET
T5
(ambient)
BLACK
RED
4500W 12.8 Ω ~ 18.75 A
CT101
K203 K201
1
2
3
4
T5
T2
T3A T3B
T4
EEV
YELLOW
WHITE
BLACK
RED
WHITE
BLUE
ORANGE
YELLOW
RED
GRAY
(Continued Next Page)

Related product manuals