EasyManua.ls Logo

GE JCKSO6 - Page 45

GE JCKSO6
51 pages
Print Icon
To Next Page IconTo Next Page
To Next Page IconTo Next Page
To Previous Page IconTo Previous Page
To Previous Page IconTo Previous Page
Loading...
43
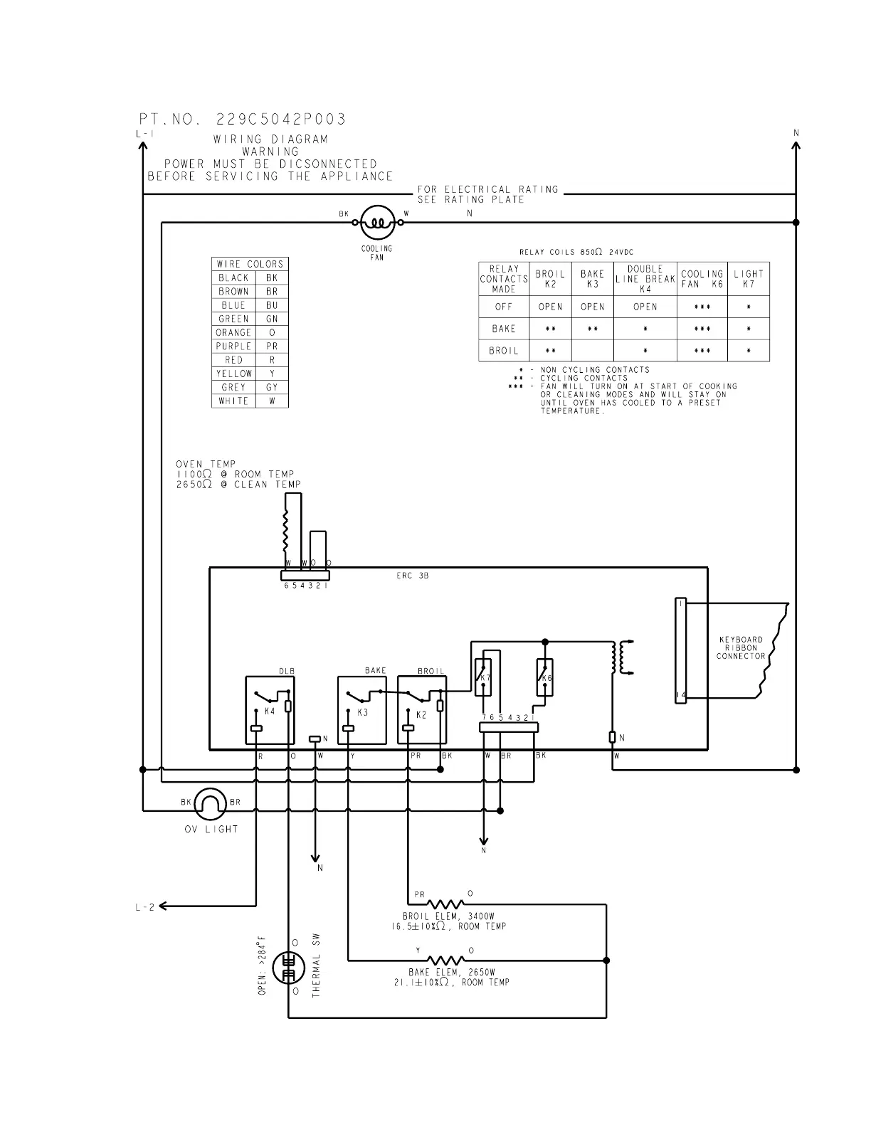
Models JCKS06 and JKS06 Schematic

Related product manuals