EasyManua.ls Logo

GE JTP20 - Oven Calibration

GE JTP20
51 pages
Print Icon
To Next Page IconTo Next Page
To Next Page IconTo Next Page
To Previous Page IconTo Previous Page
To Previous Page IconTo Previous Page
Loading...
33
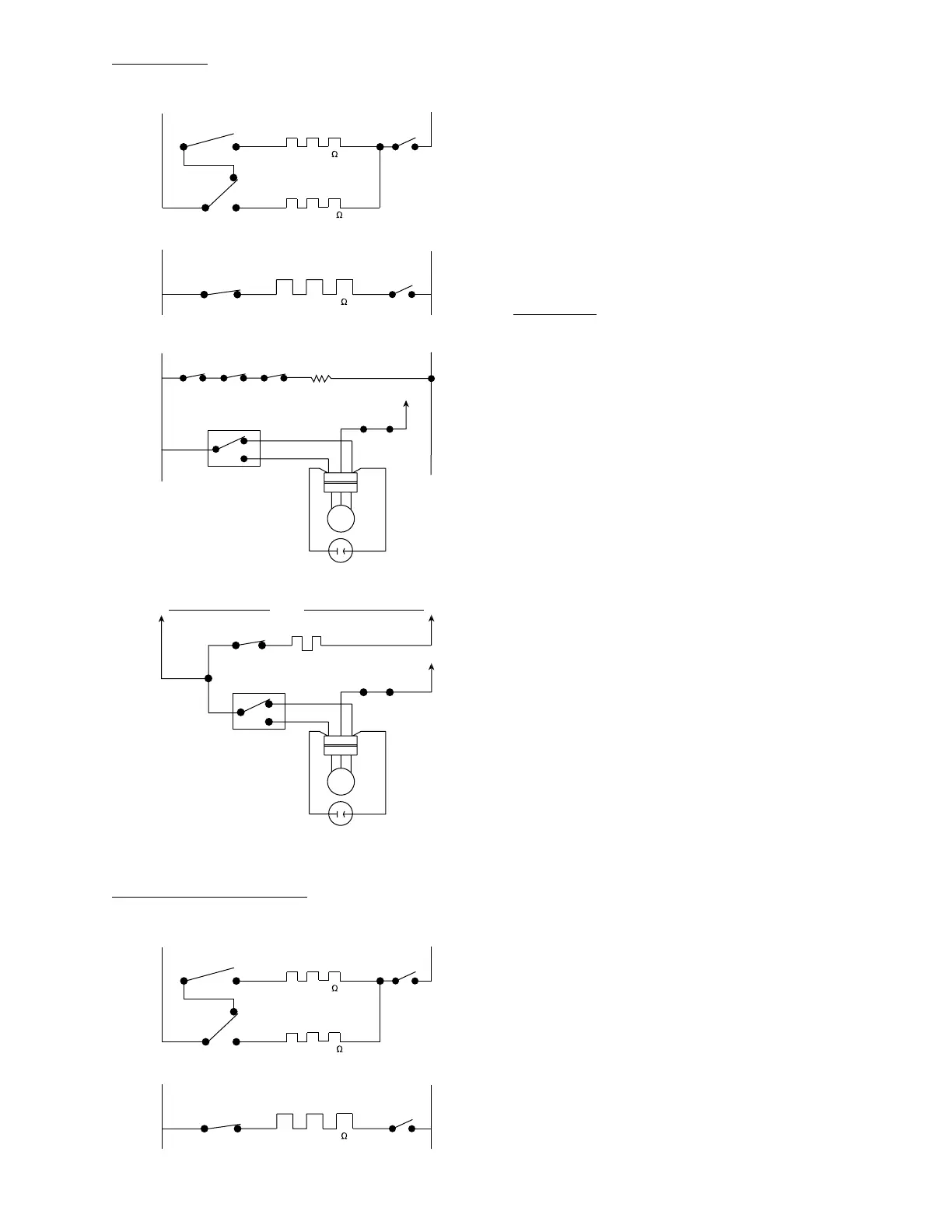
BAKE-2
BAKE
"L-1"
BROIL-2
L1-2
BROIL
"L-2"
"L-1"
L1-2
BROIL-2
BROIL
"L-2"
2700 W/21
3600 W/15.5
BAKE/TIME BAKE/CLEAN
BROIL & CLEAN
3600 W/15.5
14.2A
16.6A
14.2A
16.6A
16.6A
L2
L1
2500W
22
CONVECTION BAKE
L2
L1
N
BROIL
3600W
16
CONVECTION ROAST
240V.
15.8
NC NC NO
BROIL BAKE
CONV
BAKE
RY9
CAPACITOR
CW
CCW
CONV
FAN
DOOR
SW
DLB
DLB
DOOR
SW
M
N
RY9
CAPACITOR
CW
CCW
CONV
FAN
M
L1-1 BR-1
Oven Calibration
Testing has shown that this oven has the best
cooking performance at a control setting of 350 °F
(177 °C) when the AVERAGE center oven tem-
perature is between 340 °F and 380 °F (171 °C
and 193 °C), depending on model. Customers
may change the average center oven temperature
by
+/- 35 °F (+/- 20 °C) to satisfy their own cooking
needs. This change will effect only the Bake
mode.
To change:
Press and hold Bake & Broil pads until SF
appears in display.
Press Bake pad to enter oven calibration
mode (separate for upper and lower). 00 or
a number between +35 °F and -35 °F (+20 °C
and -20 °C) will be displayed.
Press number pads (depending on model) to
change average oven temperature. (Use Bake
pad to switch between + or -settings, if using
digit pads.)
or
Press Arrow pads to change average oven
temperature.
Press START to return to Time of Day.
Model JT965
BAKE-2
BAKE
"L-1"
BROIL-2
L1-2
BROIL
"L-2"
"L-1"
L1-2
BROIL-2
BROIL
"L-2"
2700 W/21
3600 W/15.5
BAKE/TIME BAKE/CLEAN
BROIL & CLEAN
3600 W/15.5
14.2A
16.6A
14.2A
16.6A
16.6A
DLB
DLB
Models JKP86 and JTP86

Other manuals for GE JTP20

Related product manuals