EasyManua.ls Logo

GE JTP20 - Page 45

GE JTP20
51 pages
Print Icon
To Next Page IconTo Next Page
To Next Page IconTo Next Page
To Previous Page IconTo Previous Page
To Previous Page IconTo Previous Page
Loading...
43
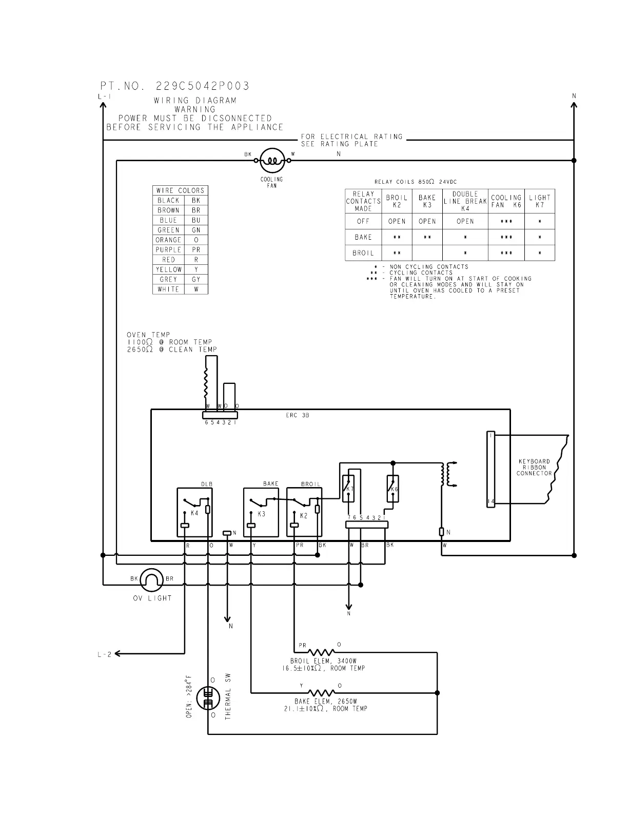
Models JCKS06 and JKS06 Schematic

Other manuals for GE JTP20

Related product manuals