EasyManua.ls Logo

GE JTP20 - Page 47

GE JTP20
51 pages
Print Icon
To Next Page IconTo Next Page
To Next Page IconTo Next Page
To Previous Page IconTo Previous Page
To Previous Page IconTo Previous Page
Loading...
45
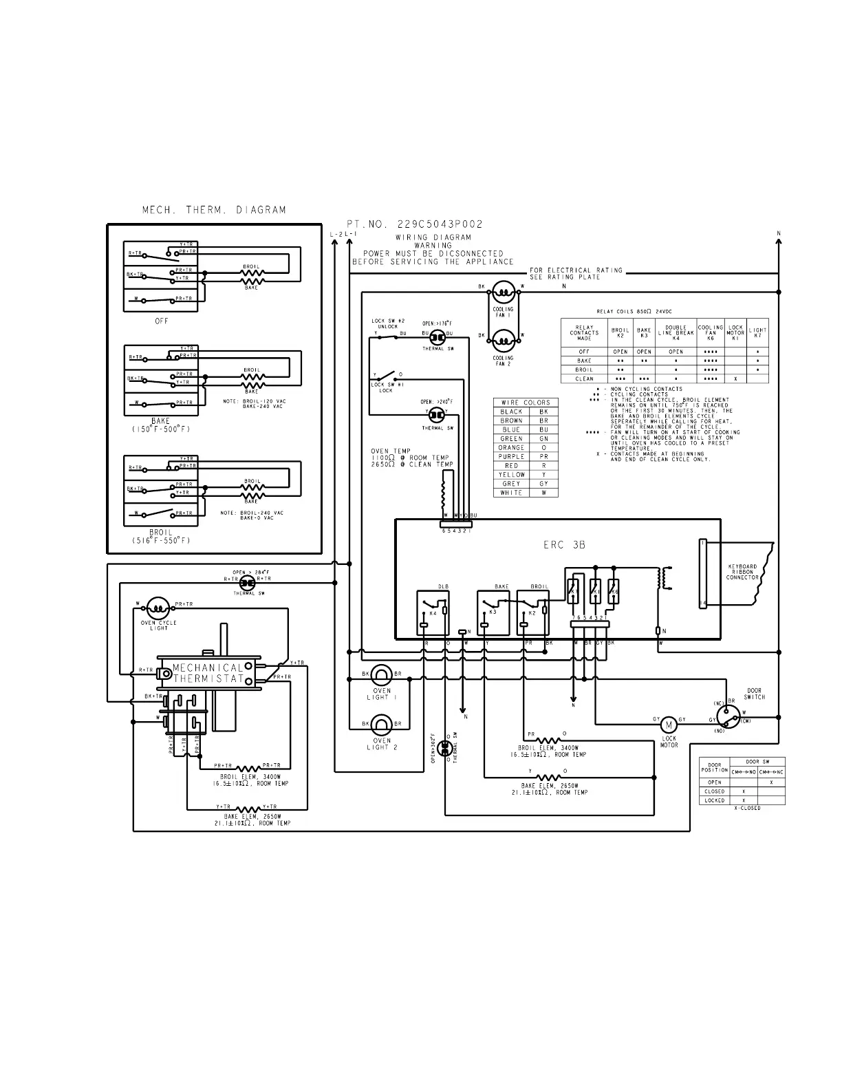
Model JKP28 Schematic

Other manuals for GE JTP20

Related product manuals