EasyManua.ls Logo

GE WSLS1100

GE WSLS1100
31 pages
To Next Page IconTo Next Page
To Next Page IconTo Next Page
To Previous Page IconTo Previous Page
To Previous Page IconTo Previous Page
Loading...
– 16 –
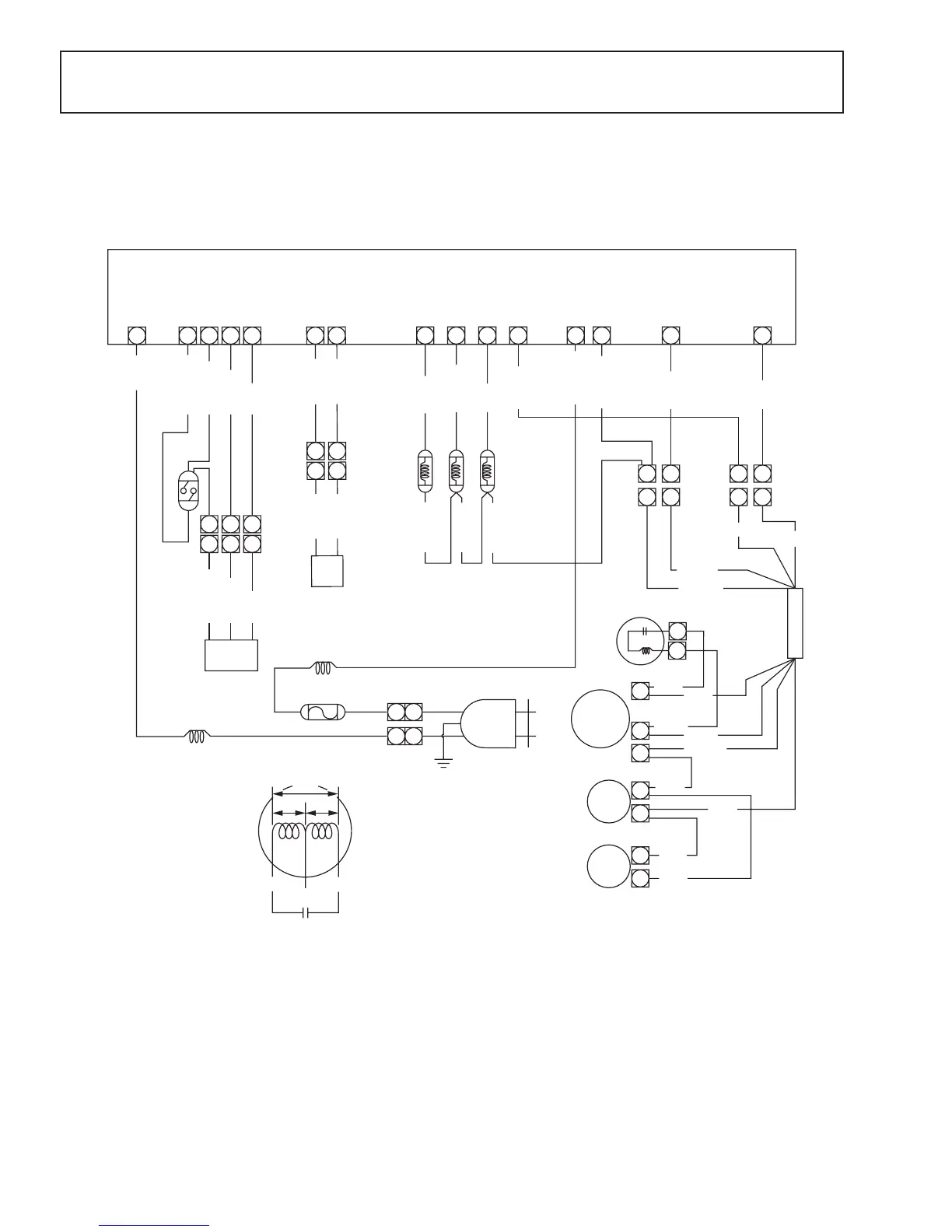
Schematics and Strip Circuits
WARNING
POWER MUST BE DISCONNECTED BEFORE SERVICING THE APPLIANCE
GEA00063
1
2
1
2
BLUE
BLUE
BLUE
BLUE
BLUE
WHITE
WHITE
1
2
WHITE
WHITE
LID S/W
1.2 K
2314
PINK
VIOLET
NTR
ORANGE
1
2 3
1
2 3
PINK
WHITE
VIOLET
ORANGE
SKY BLUE
PRESSURE
SENSOR
UNBALANCE S/W
4
1
3 2
4 1
4 1
YELLOW
YELLOW
GREY
BROWN
RED
YELLOW
YELLOW
2
BLACK
BLACK
1
BLUE
BLUE
BLUE
RED
RED
4 1
4 1
1
RED
WHIT
E
WHITE
NTR
RINSE
COLD WATER
HOT WATER
1
3
2
M
WASHING
MOTOR
CONDENSOR
RED
BLUE
RED
BLUE
WHITE
1
1
1
2
BRAKE CONTROL
MOTOR
1.5 K
M
1
1
BLK
BLK
YEL
YEL
DRAIN PUMP
MOTOR
11.7
M
1
1
1
1
1
1
BLUE
BLACK
POWER
EARTH
WHITEAC250V/12A
COIL 2
COIL 1
BROWN
BLACK
YELLOW
PCB CONTROL
56 7 2 41 3
WASHING MOTOR
L1
RED
5.5
5.5
11
BLUE

Other manuals for GE WSLS1100

Related product manuals