EasyManua.ls Logo

Gemsy 7720 - 2-4.线 状 态 的调节; Adjusting the Thread Tension

Gemsy 7720
80 pages
Print Icon
To Next Page IconTo Next Page
To Next Page IconTo Next Page
To Previous Page IconTo Previous Page
To Previous Page IconTo Previous Page
Loading...
Test Sewing
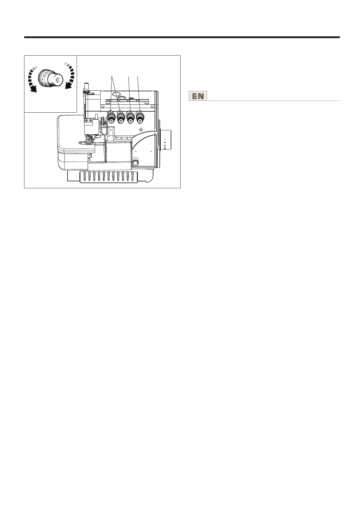
2-4.线
Adjusting the thread tension
线线线
线线线线
Make tension adjustments with the needle thread
knob, the upper looper knob, and the lower looper
knob.
2.试
6
To loosen
To tighten

Related product manuals