EasyManua.ls Logo

Gemsy 7720 - Page 53

Gemsy 7720
80 pages
Print Icon
To Next Page IconTo Next Page
To Next Page IconTo Next Page
To Previous Page IconTo Previous Page
To Previous Page IconTo Previous Page
Loading...
29
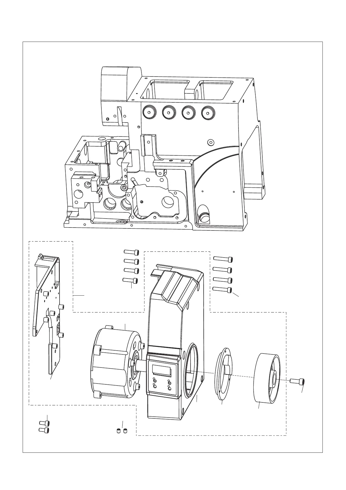
11. Direct Drive Components
1
2
3
4
5
6
7
8
9
10
10

Related product manuals