EasyManua.ls Logo

Gemsy 7724 - Przed Użyciem Strona; Schemat Blatu Maszyny

Default Icon
80 pages
Print Icon
To Next Page IconTo Next Page
To Next Page IconTo Next Page
To Previous Page IconTo Previous Page
To Previous Page IconTo Previous Page
Loading...
1. Przed użyciem
1. Przed użyciem
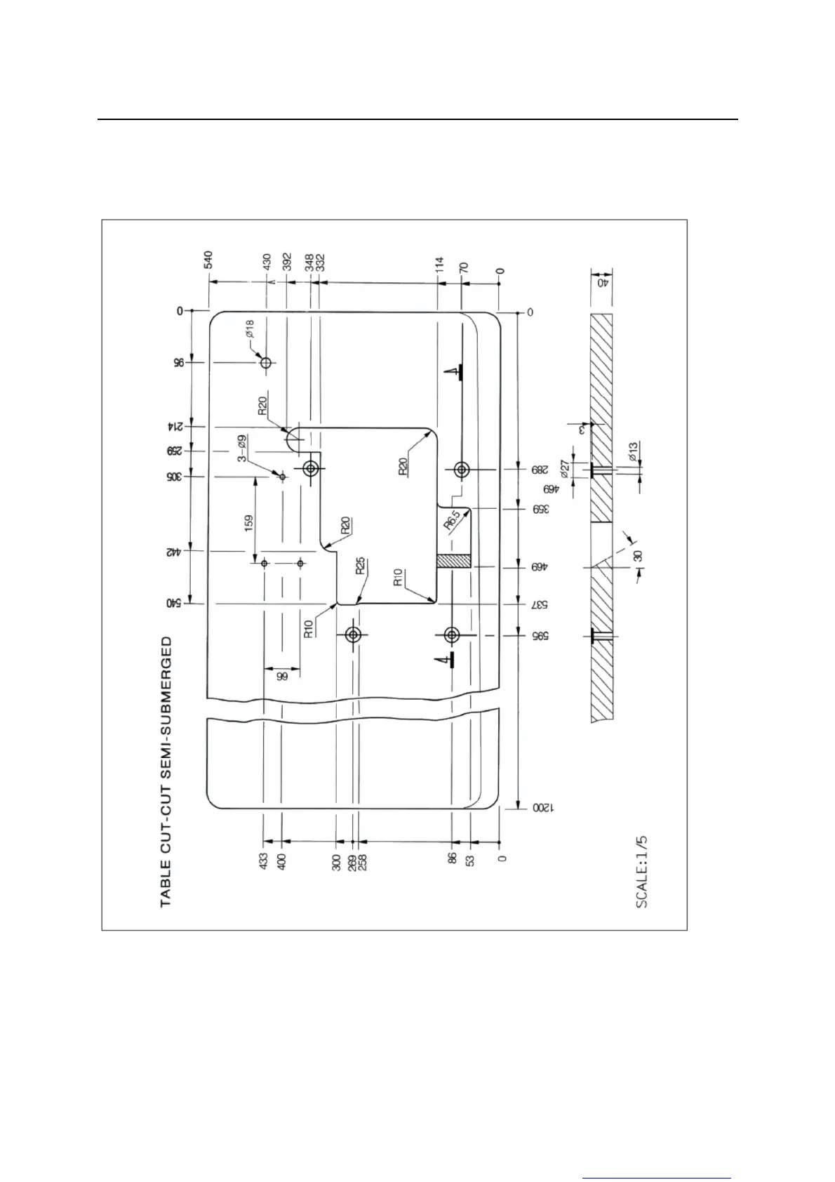
1-1. Schemat blatu maszyny
Schemat przekroju
You created this PDF from an application that is not licensed to print to novaPDF printer (http://www.novapdf.com)

Related product manuals