EasyManua.ls Logo

Generac Power Systems 04389-3, 04456-3, 04390-3 - Page 64

Generac Power Systems 04389-3, 04456-3, 04390-3
68 pages
Print Icon
To Next Page IconTo Next Page
To Next Page IconTo Next Page
To Previous Page IconTo Previous Page
To Previous Page IconTo Previous Page
Loading...
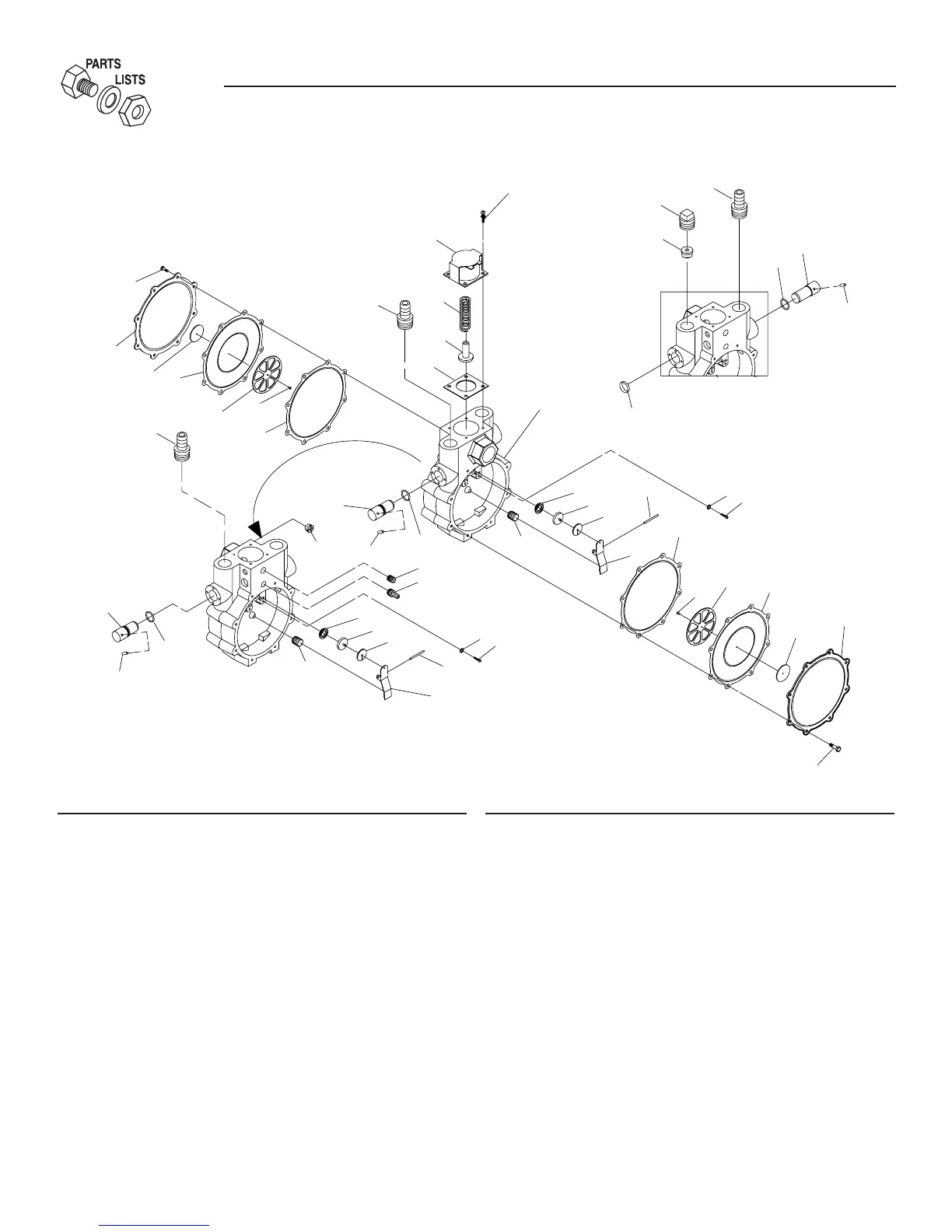
ITEM PART NO. QTY. DESCRIPTION
1 0D5694 1 CASTING, TWIN REGULATOR HOUSING
2 0F5022 1 SOLENOID COIL, 12VDC
3 0C4647 1 GASKET , SOLENOID
4 0D4166 1 PLUNGER, LP REGULATOR ASSEMBLY
5 0C6070 1 SPRING-SOLENOID, PLUNGER
8 0F4795 4 SCREW PPHM SEMS M4-0.7 X 10
9 0C5760J 1 JET, GN 410 ENGINE LP (7KW)
10 0C6606 2* BARBED STRAIGHT 1/2NPT x 1/2
11 097934 2* O-RING, CHECK VALVE
12 0C4645 2* ADJUSTER SCREW, TWIN REGULATOR
13 0C5761 2 LEVER, REGULATOR
14 0C5968 2 SUPPORT, INLET SEAL
15 0C6066 2 SEAL, INLET
16 0C5759 2 PIN, PIVOT ARM
17 0C5764 2 SPRING, REGULATOR
0C5764A 2 SPRING, REGULATOR (7KW)
18 070728 4 SCREW, PFHMS M3-0.5 x 5
19 0C6069 2 GASKET, DIAPHRAGM
20 0C5762 2 COVER, TWIN REGULATOR
21 045764 16 SCREW, TAPTITE M4X8 BP
ITEM PART NO. QTY. DESCRIPTION
22 0C6731 2 RIVET, POP .118 X .125
23 0C6067 2 SUPPORT, DIAPHRAGM
24 0C4706 2 DIAPHRAGM, TWIN REGULATOR
25 0C6068 2 CAP, DIAPHRAGM SUPPORT
26 0C4643A 2 INLET, TWIN REGULATOR 11.11 DIA.
27 026073 1 PLUG, STANDARD PIPE 1/8STEEL
SQUARE HEAD
026073 2 PLUG, STANDARD PIPE 1/8STEEL
SQUARE HEAD (7KW)
28 0A4032 2* PIN, LIMITED ADJUSTMENT
29 0D3308 4 WASHER, FLAT M3 X 10mm O.D.
30 024310 1 PLUG, STANDARD PIPE 1/2” STEEL
SQUARE HEAD (7KW)
31 028414A 1 BARBED STRAIGHT 1/8”NPT X 1/4”
32 0D5698A 1 JET IDLE PRIMER PHILLIPS HD (V-TWIN
ONLY)
37 0D3973 1 PLUG, EXPANSION 16mm
* A QUANTITY OF 1 IS TO BE USED ON 7KW HOME STANDBY
7KW
17
12
28
11
20
10
25
21
24
19
23
22
22
15
26
14
13
16
29
18
8
28
12
32
10
11
27
31
4
5
3
2
10
17
1
26
15
14
16
13
37
19
9
30
21
25
20
24
29
18
23
11
12
28
62
Section 8 — Exploded Views and Parts Lists
Air-cooled 7 kW, 12 kW and 15 kW Generators
Gas Regulator – Drawing No. 0D8720-H

Table of Contents

Related product manuals