EasyManua.ls Logo

Generac Power Systems 37kW NG

Generac Power Systems 37kW NG
48 pages
To Next Page IconTo Next Page
To Next Page IconTo Next Page
To Previous Page IconTo Previous Page
To Previous Page IconTo Previous Page
Loading...
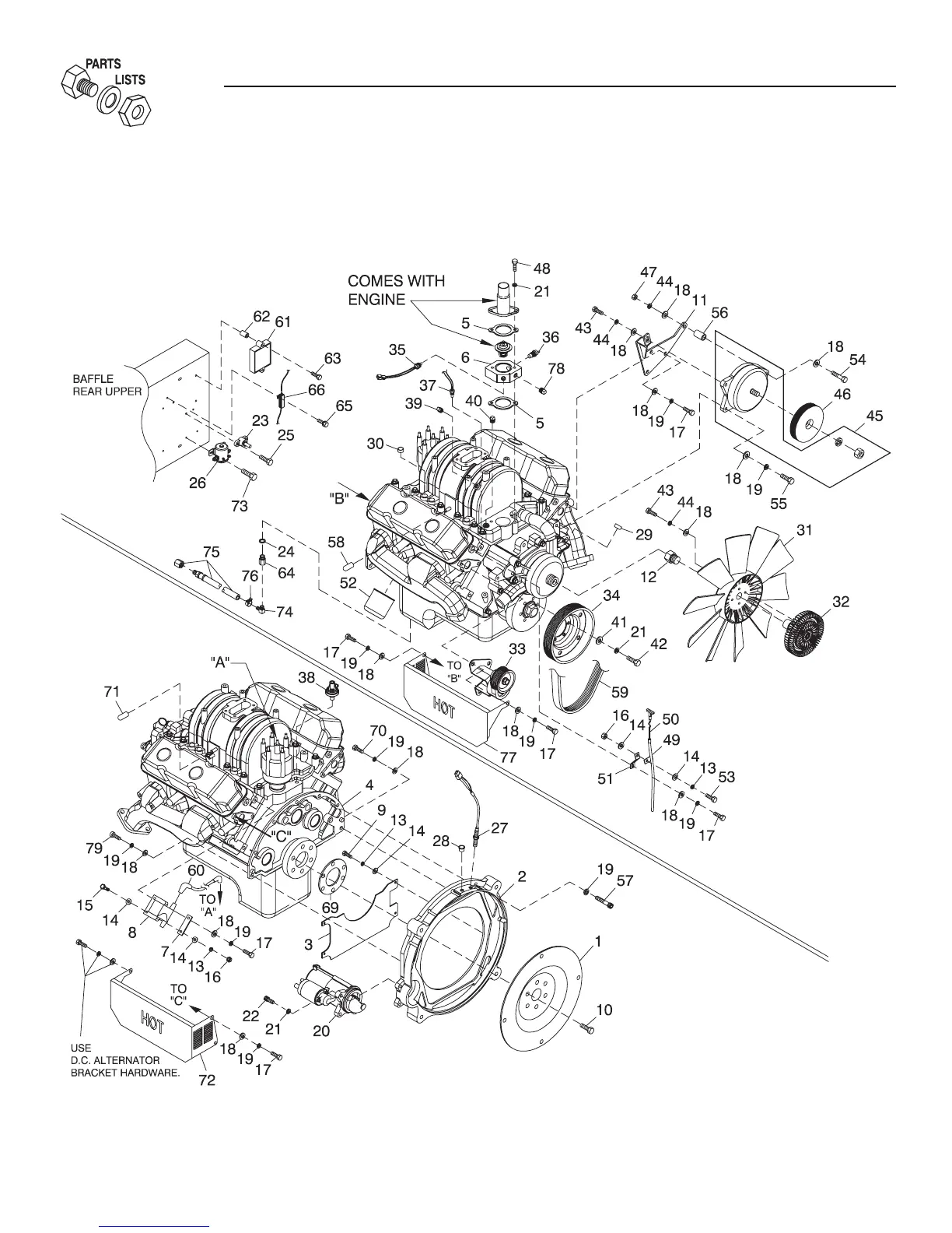
Section 8 - Exploded Views and Parts
QUIETSOURCE
40kW Liquid-cooled Generators
Engine — Drawing No. 0E8121-G
34 Generac
®
Power Systems, Inc.

Table of Contents

Related product manuals