EasyManua.ls Logo

Generac Power Systems 5240 - Page 50

Generac Power Systems 5240
72 pages
Print Icon
To Next Page IconTo Next Page
To Next Page IconTo Next Page
To Previous Page IconTo Previous Page
To Previous Page IconTo Previous Page
Loading...
48
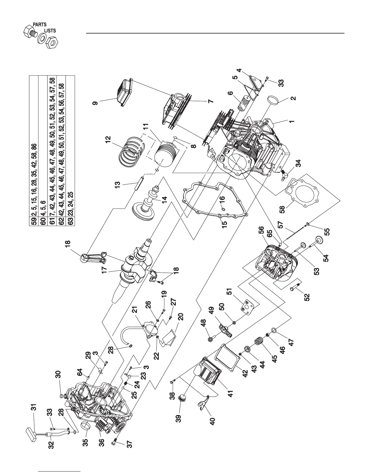
Section 9 — Exploded Views and Parts Lists
Air-cooled Generators
13 & 16kW, GT-990 Engine – Drawing No. 0F9430-C - Part 1

Table of Contents

Related product manuals