EasyManua.ls Logo

Generac Power Systems Guardian 004992-2

Generac Power Systems Guardian 004992-2
48 pages
To Next Page IconTo Next Page
To Next Page IconTo Next Page
To Previous Page IconTo Previous Page
To Previous Page IconTo Previous Page
Loading...
27
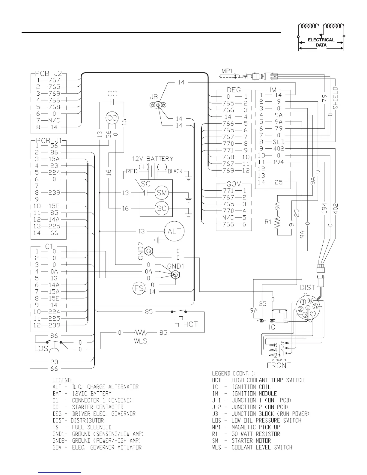
Section 6 - Electrical Data
40kW Liquid-cooled Generators
Electrical Schematic — Engine — Drawing No. 0E8116-A

Table of Contents

Related product manuals