EasyManua.ls Logo

Generac Power Systems Guardian 004992-2

Generac Power Systems Guardian 004992-2
48 pages
To Next Page IconTo Next Page
To Next Page IconTo Next Page
To Previous Page IconTo Previous Page
To Previous Page IconTo Previous Page
Loading...
34
18
46
32
19
65
52
ENGINE
COMES WITH
BRACKET HARDWARE.
D.C. ALTERNATOR
USE
19
14
15
79
17
19
18
18
72
14
8
7
18
13
TO
"C"
16
TO
60
"A"
19
17
22
21
"C"
20
3
69
58
BAFFLE
REAR UPPER
61
"A"
26
75
64
74
76
38
17
24
25
73
23
"B"
66
63
62
E
O
I
L
E
N
G
I
N
9
1
14
13
28
27
2
10
57
19
19
18
17
44
43
5
40
18
70
4
19
18
"B"
TO
39
30
35
37
6
19
77
18
33
17
5
78
36
21
48
F
R
O
N
T
42
12
59
16
51
14
41
34
21
14
49
50
13
19
29
18
18
44
43
18
17
53
55
19
18
31
56
47
18
44
11
45
54
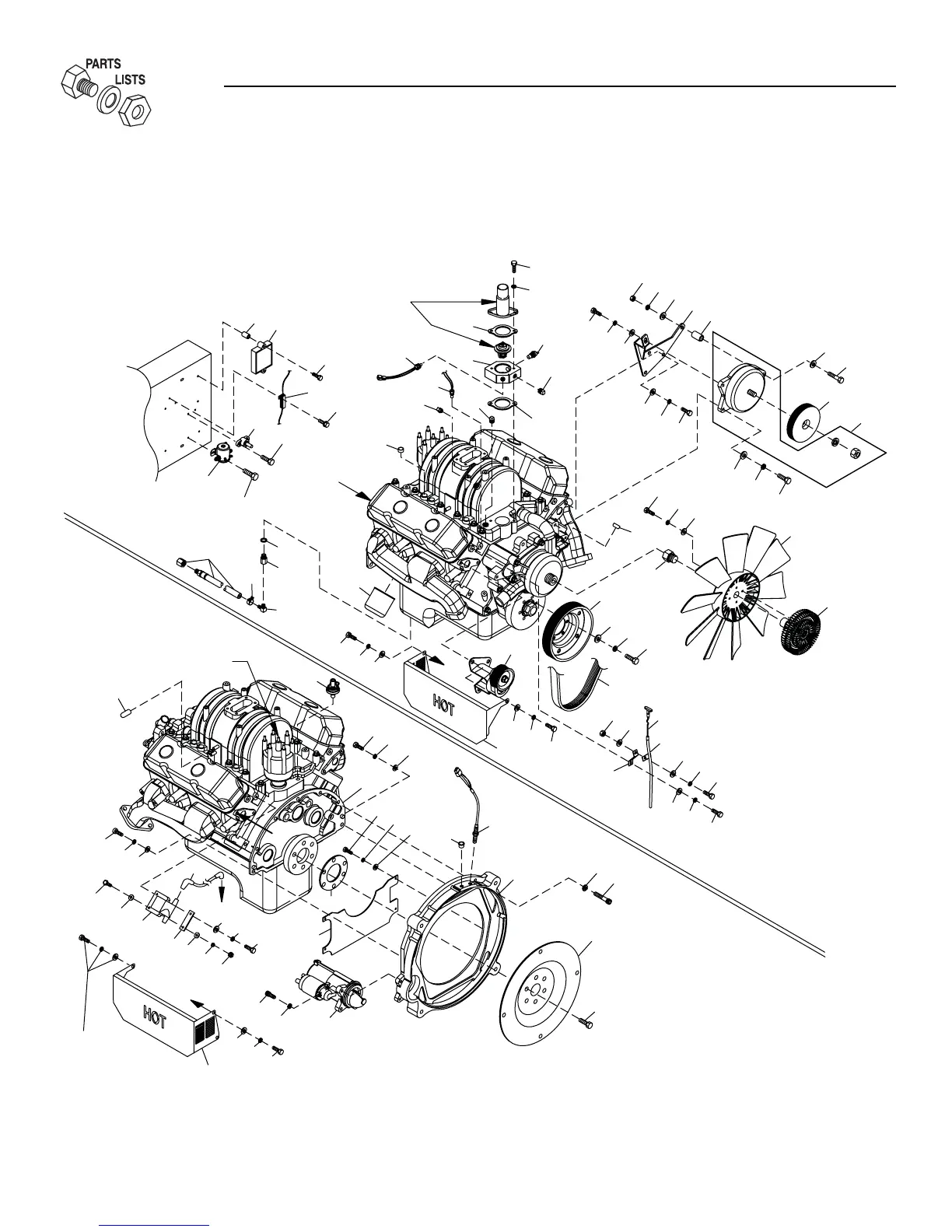
Section 7 - Exploded Views and Parts
40kW Liquid-cooled Generators
Engine — Drawing No. 0E8121-H

Table of Contents

Related product manuals