EasyManua.ls Logo

Generac Power Systems Guardian 005260-1 - Page 62

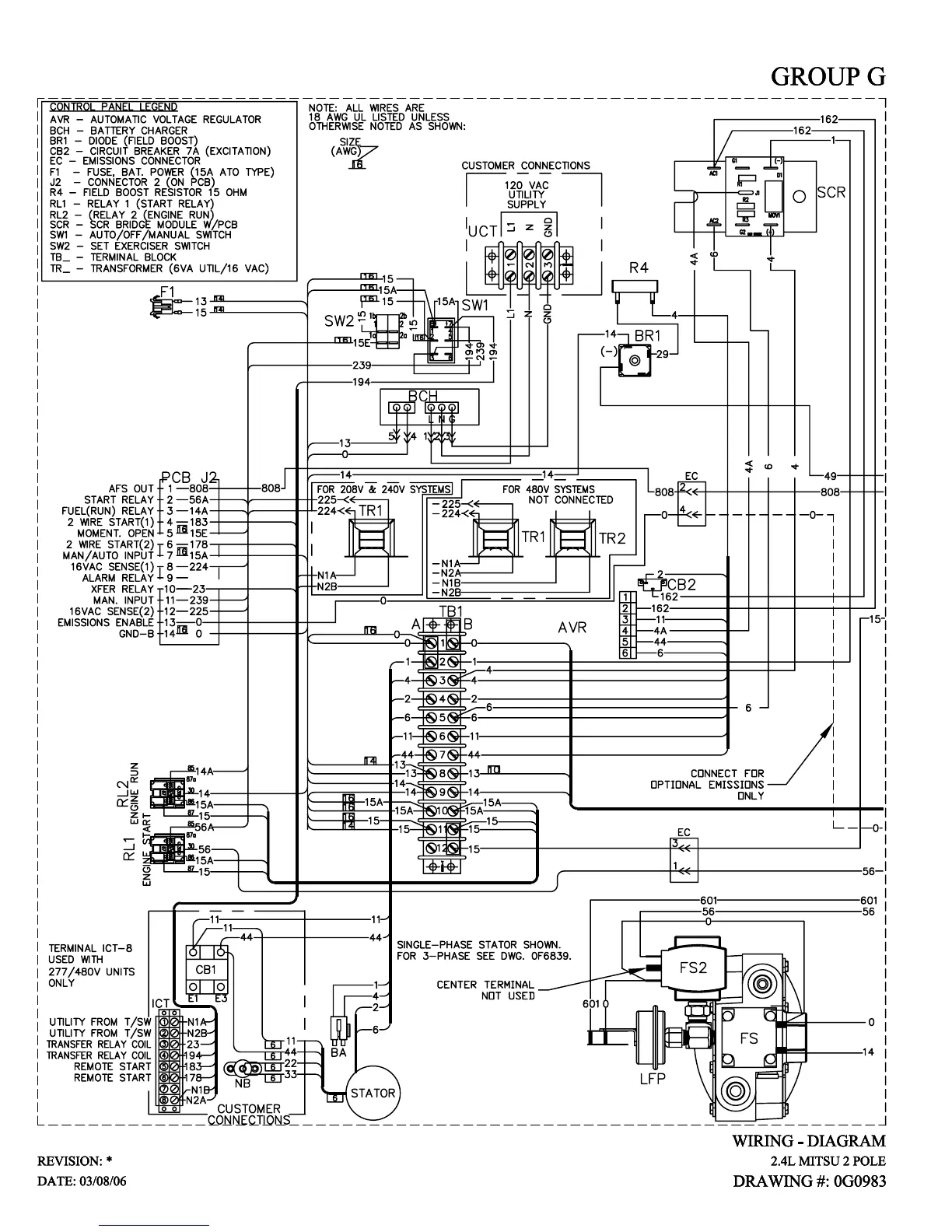
Generac Power Systems Guardian 005260-1
68 pages
Print Icon
To Next Page IconTo Next Page
To Next Page IconTo Next Page
To Previous Page IconTo Previous Page
To Previous Page IconTo Previous Page
Loading...

Table of Contents

Related product manuals