EasyManua.ls Logo

Generac Power Systems QuietSource 005028-0 - Section 8 - Exploded Views and Parts Lists; Mounting Base and Parts List

Generac Power Systems QuietSource 005028-0
60 pages
Print Icon
To Next Page IconTo Next Page
To Next Page IconTo Next Page
To Previous Page IconTo Previous Page
To Previous Page IconTo Previous Page
Loading...
36
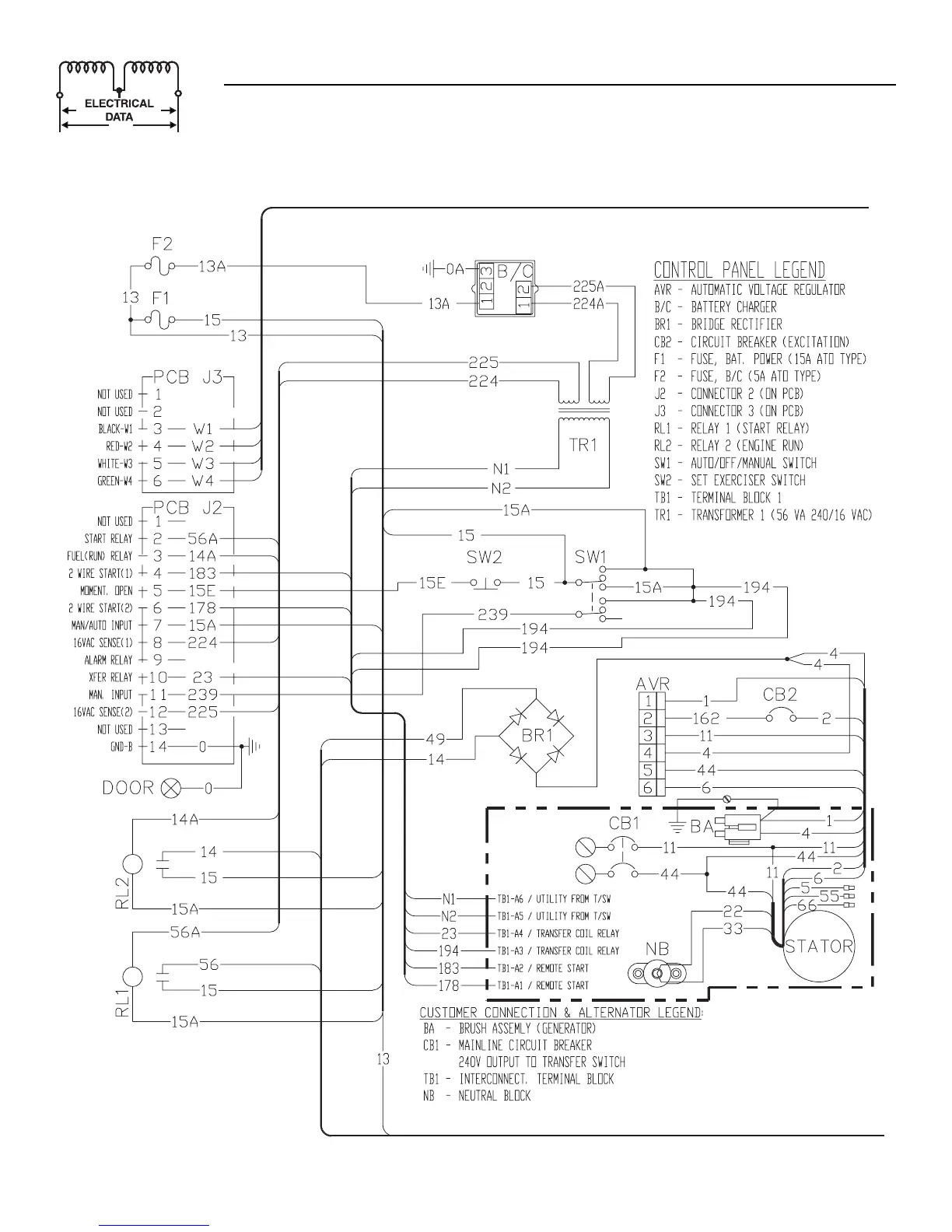
Section 7 - Electrical Data
Liquid-cooled 15, 20 and 25 kW Generators
Electrical Schematic — 2.5L (25kW unit) — Drawing No. 0F1287-B

Table of Contents

Related product manuals