EasyManua.ls Logo

Generac Power Systems RS5500 - Page 57

Generac Power Systems RS5500
114 pages
Print Icon
To Next Page IconTo Next Page
To Next Page IconTo Next Page
To Previous Page IconTo Previous Page
To Previous Page IconTo Previous Page
Loading...
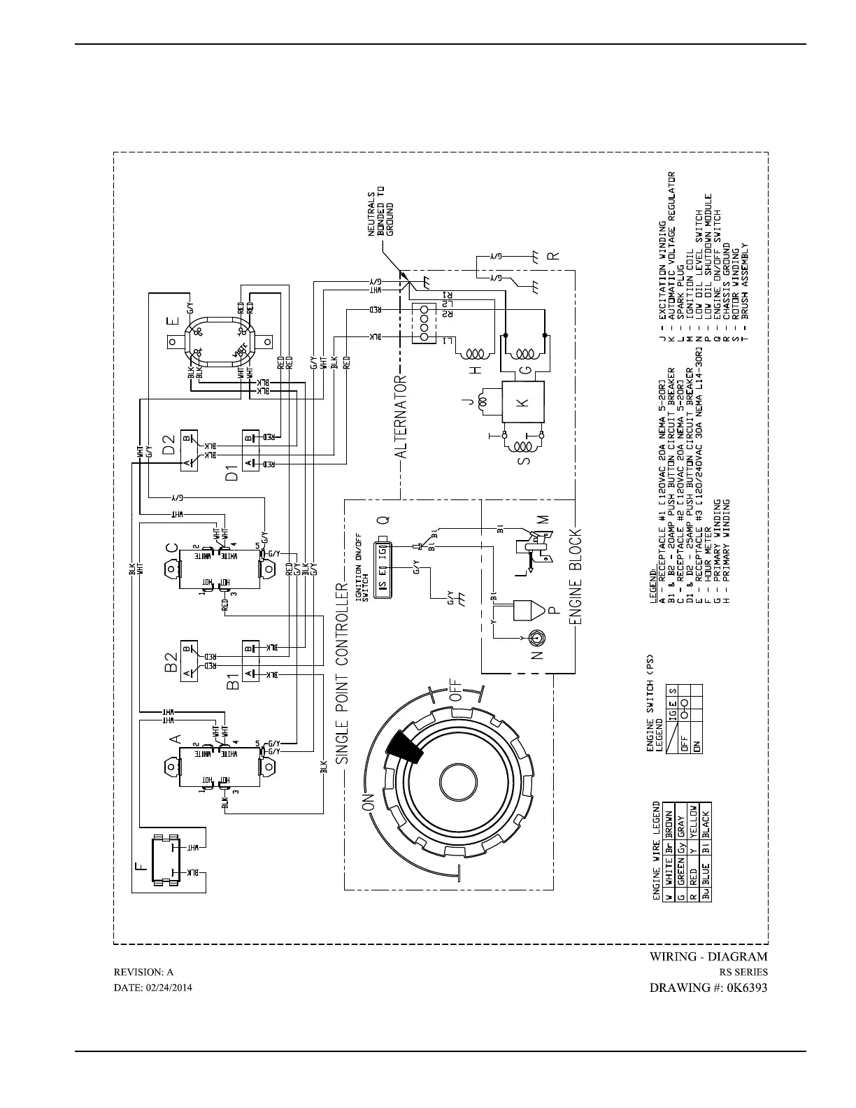
Section 7 Electrical Data
Diagnostic Repair Manual 51
Wiring Diagram and Electrical Schematic, RS5500 Drawing No. 0K6393-A

Table of Contents

Other manuals for Generac Power Systems RS5500

Related product manuals