EasyManua.ls Logo

Generac Power Systems XG10000E - Page 87

Generac Power Systems XG10000E
114 pages
Print Icon
To Next Page IconTo Next Page
To Next Page IconTo Next Page
To Previous Page IconTo Previous Page
To Previous Page IconTo Previous Page
Loading...
Section 7 Electrical Data
Diagnostic Repair Manual 81
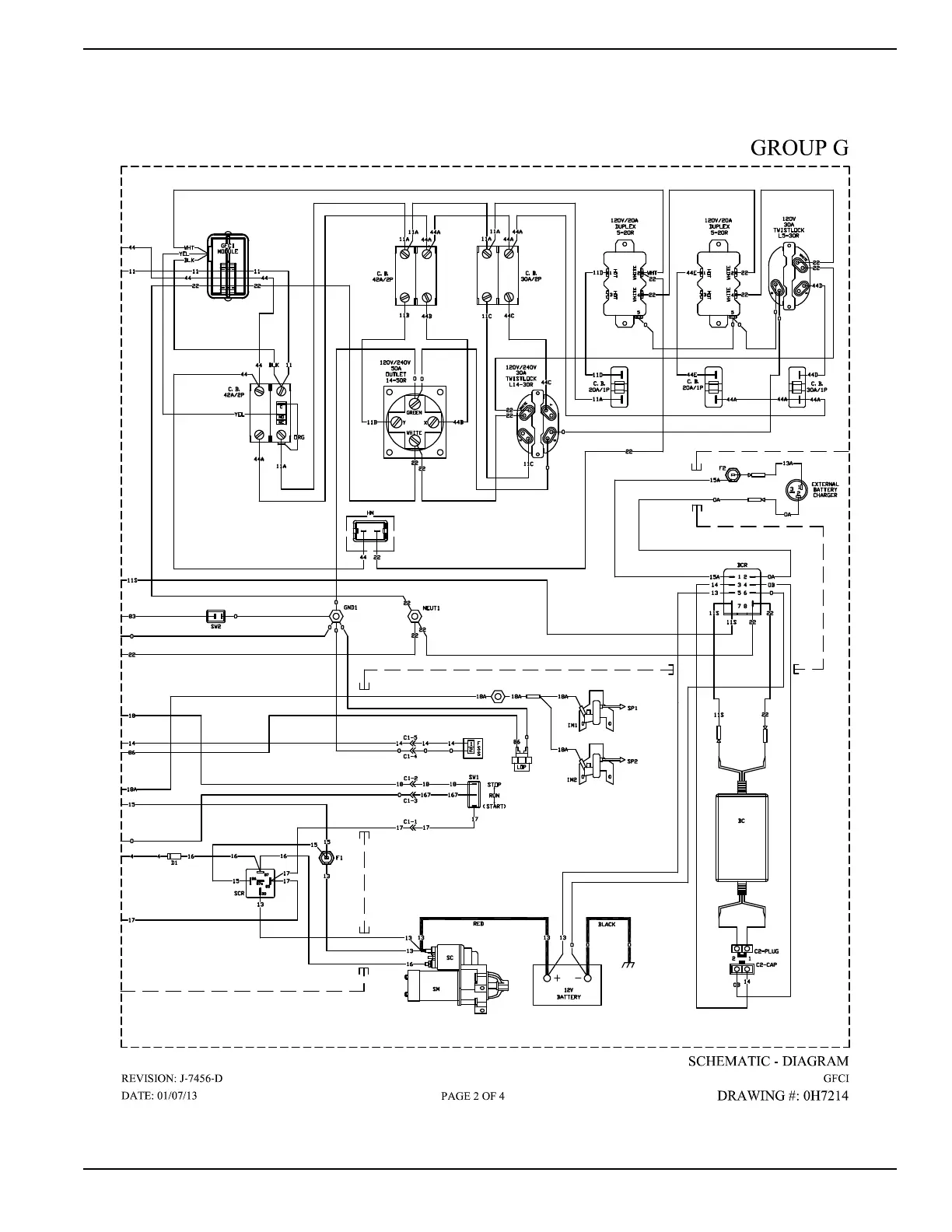
Wiring Diagram and Electrical Schematic, XP10000E Drawing No. 0H7214-D

Table of Contents