EasyManua.ls Logo

General AOH30LMAW4 - INDOOR UNIT CIRCUIT DIAGRAM; Electrical Wiring Diagram

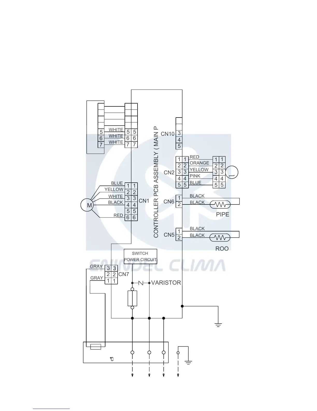
General AOH30LMAW4
26 pages
Print Icon
To Next Page IconTo Next Page
To Next Page IconTo Next Page
To Previous Page IconTo Previous Page
To Previous Page IconTo Previous Page
Loading...
ORANGE
YELLOW
PINK
BLUE
RED
BLACK
BLACK
BLACK
BLACK
YELLOW
BLUE
WHITE
BLACK
RED
RED
WHITE
WHITE
WHITE
WHITE
WHITE
WHITE
GRAY
GRAY
BLACK
WHITE
RED
GREEN
1
2
3
4
5
6
7
1
2
3
4
5
6
7
1
2
3
4
5
6
7
1
2
3
4
5
6
1
2
3
4
5
6
3
2
1
3
2
1
1
2
3
4
5
1
2
3
4
5
1
2
3
4
5
1
2
3
4
5
1
2
3
4
5
1
2
1
2
CN201
CN10
CN3
CN1
CN2
CN6
CN5
CN7
W4
W2
W1
W3
STEP MOTOR
PIPE THERMISTOR
ROOM THERMISTOR
VARISTOR
TERMINAL
FAN MOTOR
1 2
3THERMAL
FUSE 102
POWER CIRCUIT
SWITCH
F M
M
CONTROLLER PCB ASSEMBLY ( MAIN PCB )
F1 FUSE
T 3.15A 250V
INDICATOR PCB ASSEMBLY
2007.04.18 6
CIRCUIT DIAGRAM
INDOOR UNIT
www.enindel.com

Related product manuals