EasyManua.ls Logo

General AOHG45LETL - Page 12

General AOHG45LETL
32 pages
Print Icon
To Next Page IconTo Next Page
To Next Page IconTo Next Page
To Previous Page IconTo Previous Page
To Previous Page IconTo Previous Page
Loading...
5V
L1
BLm18AG601
C2
0.1
<B>
C1
4.7/
50V
+
I C1
R5F212C
X1
8.00MHz
<CSTLS>
R3
0R0
5V
5V
12V
I C11
PS2561L-1-V
I C12
PS2561L-1-V
5V
5V
12V-2
D
D
C4
0.01
<B>
R2
1.0k
<1/10W>
R1
10k
<1/10W>
5V
5V
I C21
S-93C66BD0 I
C21
0.1
<B>
R22
10k
<1/10W>
R24
10k
<1/10W>
5V
5V
I C26
S80842
2
1
3
4
VDD
OUT
NC
GND
6
11
2
3
1
2
3
1
2
3
1
3
14
1
2
16
15
1
2
4
3
1
2
4
3
1
2
4
3
1
2
4
3
1
2
4
3
1
2
4
3
4
3
1
2
4
3
1
2
4
3
1
2
4
3
1
2
4
3
1
2
4
3
1
2
4
3
1
2
4
1
3
2
4
1
3
2
7
10
6
11
3
2
1
5
4
13
12
1 16
2
15
3
14
1
3
2
5
8
4
7
6
CS
D I
SK
GND
VCC
DO
NC
TEST
16
16
15
15
1
1
2
2
3
21
13
78
12
10
18
17
16
15
14
5
4
3
43
72
71
49
48
47
45
46
65
64
63
62
61
60
59
58
42
41
40
39
38
37
36
35
22
19
20
21
75
11
77
66
67
68
69
70
9
6
1
73
74
76
57
56
55
54
34
33
32
31
30
29
28
27
26
25
24
23
51
50
53
2
80
52
79
44
7
8
P3_3
MODE
RESET*
VSS
VSS
VREF
P0_0
P0_1
P0_2
P0_3
P0_4
P0_5
P0_6
P0_7
P1_0
P1_1
P1_2
P1_3
P1_4
P1_5
P1_6
P1_7
P2_0
P2_1
P2_2
P2_3
P2_4
P2_5
P2_6
P2_7
P3_0
P3_1
P3_2
P3_4
P3_5
P3_6
P3_7
P4_3
P4_4
P4_5
VCC
VCC
P4_6
P4_7
P5_0
P5_1
P5_2
P5_3
P5_4
P5_5
P5_6
P5_7
P6_0
P6_1
P6_2
P6_3
P6_4
P6_5
P6_6
P6_7
P7_0
P7_1
P7_2
P7_3
P7_4
P7_5
P7_6
P7_7
P8_0
P8_1
P8_2
P8_3
P8_4
P8_5
P8_6
P9_0
P8_7
P9_3
P9_2
P9_1
C3
0.1
<B>
5V
5V
5V
I C48
PS2561L-1-V
I C49
PS2561L-1-V
I C50
PS2561L-1-V
I C51
PS2561L-1-V
I C52
PS2561L-1-V
I C13
PS2561L-1-V
12V
I C14
PS2561L-1-V
I C15
PS2561L-1-V
5V
5V
R52
1.0k
<1/10W>
R47
10k
<1/10W>
R53
1.0k
<1/10W>
R48
10k
<1/10W>
R54
1.0k
<1/10W>
R49
10k
<1/10W>
R55
1.0k
<1/10W>
R50
10k
<1/10W>
R56
1.0k
<1/10W>
R51
10k
<1/10W>
C40
0.01
<B>
C41
0.01
<B>
C42
0.01
<B>
C43
0.01
<B>
C44
0.01
<B>
12V-2
C48
0.01
<B>
R95
4.7k
<1/10W>
R103, R108, R113
560 <1/10W> x 3
C49
0.01
<B>
R96
4.7k
<1/10W>
C50
0.01
<B>
R97
4.7k
<1/10W>
C51
0.01
<B>
R98
4.7k
<1/10W>
C52
0.01
<B>
R99
4.7k
<1/10W>
R72
3.3k
<1/10W>
12V-2
R104, R109, R114
560 <1/10W> x 3
R105, R110, R115
560 <1/10W> x 3
R106, R111, R116
560 <1/10W> x 3
R107, R112, R117
560 <1/10W> x 3
12V-2
12V-2
12V-2
12V-2
I C40-1
uLN2003
R42, R41
1.0k <1/10W>
x 2
I C40-2
uLN2003
R44, R43
1.0k <1/10W>
x 2
I C40-3
uLN2003
R46, R45
1.0k <1/10W>
x 2
12V-2
12V
R73
3.3k
<1/10W>
R74
3.3k
<1/10W>
I C6
PS2561L-1-V
R20
4.7k
<1/10W>
I C7
PS2561L-1-V
R23
4.7k
<1/10W>
I C8
PS2561L-1-V
R25
4.7k
<1/10W>
D
D
D
Q1
DTA143
EUA
Q2
DTA143
EUA
Q3
DTA143
EUA
K11
FTR-F3
K12
FTR-F3
12V-2
I C10-7
uLN2003
I C10-6
uLN2003
R14, R29, R36
560 <1/10W> x 3
R15, R30, R37
560 <1/10W> x 3
12V-2
R12
4.7k
<1/10W>
R13
4.7k
<1/10W>
C11
0.01
<B>
C12
0.01
<B>
R80
10k
<1/10W>
R83
1.0k
<1/10W>
R81
10k
<1/10W>
R84
1.0k
<1/10W>
C80
0.01
<B>
C81
0.01
<B>
C82
0.01
<B>
R85
1.0k
<1/10W>
R82
10k
<1/10W>
D
5V
R16
10k
<1/10W>
R18
1.0k
<1/10W>
R17
10k
<1/10W>
R19
1.0k
<1/10W>
C13
0.01
<B>
C14
0.01
<B>
C102
0.01
<B>
R26
47k
<1/10W>
R27
10k
<1/10W>
C28
0.1
<B>
C26
0.1
<B>
R34
1.0k
<1/10W>
C31
1000p
<B>
R35
1.0k
<1/10W>
5V
R31 - R33
10k <1/10W> x 3
C32
1000p
<B>
R102
10k
<1/10W>
5V
5V
C101
0.1
<B>
R101
2.2k
<1/10W>
L91
BLm18AG601
L60
BL02Rn1
C91
0.1
<B>
C93
1000p
<B>
R91
10k
<1/10W>
R93
10k
<1/10W>
D91
DAN217U
C95
0.01
<B>
R65 38.3k
<1/10W>
1%
R64
10k
<1/10W>
C63
0.1
<B>
R61
13k
<1/10W>
R60
10k
<1/10W>
C61
0.1
<B>
R67
13k
<1/10W>
R66
10k
<1/10W>
C64
0.1
<B>
R63 4.75k
<1/10W>
1%
R62
10k
<1/10W>
C62
0.1
<B>
R69 4.75k
<1/10W>
1%
R68
10k
<1/10W>
C65
0.1
<B>
I C112-2
uLN2003
I C111-2
uLN2003
I C112-1
uLN2003
12V
I C41-4
uLN2003
R78, R173
1.0k <1/10W>
x 2
R75
4.7k
<1/10W>
I C41-5
uLN2003
R79, R174
1.0k <1/10W>
x 2
R76
4.7k
<1/10W>
I C41-6
uLN2003
R86, R175
1.0k <1/10W>
x 2
R77
4.7k
<1/10W>
I C41-1
uLN2003
R7, R170
1.0k <1/10W>
x 2
R4
4.7k
<1/10W>
I C41-2
uLN2003
R8, R171
1.0k <1/10W>
x 2
R5
4.7k
<1/10W>
I C41-3
uLN2003
R9, R172
1.0k <1/10W>
x 2
R6
4.7k
<1/10W>
CN5
B06B-PASK-1
WHITE
CN101
1-1871843-2
RED
CN61
B03B-PASK-1
WHITE
CN62
B04B-PASK-1
WHITE
CN63
B05B-PASK-1
WHITE
CN91
1871843-4
WHITE
CN111
B06B-XARK-1-A
RED
CN802
B6P-VH-B-C
BLACK
CN800
B6P-VH-B
WHITE
CN12
B02B-XAKK-1-A
BLACK
CN13
B02B-XAEK-1-A
BLUE
CN10
B02B-XAYK-1-A
YELLOW
CN11
B02B-XAMK-1-A
GREEN
CN14
B6 ( 7-3 ) B-XNIRK-B-2
RED
CN40
B16B-PASK-1
WHITE
( CN40-4 )
( CN40-16 )
( CN40-15 )
( CN40-14 )
( CN40-13 )
( CN40-5 )
( CN40-1 )
( CN40-3 )
( CN40-2 )
( CN40-6 )
( CN40-11 )
( CN40-10 )
( CN40-9)
( CN40-8 )
( CN40-7 )
( CN40-12 )
1
2
3
4
5
6
1
2
1
2
1
2
1
2
1
2
3
4
5
6
1
2
3
4
5
1
2
3
4
1
2
3
1
2
1
2
3
4
5V
1
2
3
4
5
6
P_EX_OUT1
P_EX_OUT2
P_DEMAND3
P_DEMAND2
P_DEMAND1
P_SW_PUMP_DOWN
P_SW_EXIT
P_SW_ENTER
P_SW_SELECT
P_SW_MODE
P_LED1
P_LED2
P_LED3
P_LED_COM1
P_LED_COM3
P_LED_COM2
P_SW_MODE
MODE
RESET
P_AN_TH5
P_AN_TH3
P_LED
P_AN_TH4
P_AN_TH1
P_AN_TH2
P_I NT_POWER
P_SERIAL_RXD
P_DEMAND2
P_DEMAND1
P_LED3
P_LED2
P_4WV
P_FM1_PWM
P_LED1
P_JM
P_FM2_PWM
P_BH
P_EX_I N2
P_EX_I N1
P_FM2_FB
P_SW_SELECT
P_EX_OUT1
P_EX_OUT2
P_FM1_FB
P_JM
EEP_CS
EEP_I O
EEP_SK
RESET
MODE
P_RXD_PCS
P_TXD_PCS
P_EX_I N2
P_EX_I N1
EEP_SK
EEP_CS
EEP_I O
P_SW_PUMP_DOWN
P_SW_EXIT
P_SW_ENTER
P_PSW
P_TXD_I NV
P_RXD_I NV
P_SERIAL_TXD
P_TXD_PCS
P_RXD_I NV
P_AN_PS_HP
P_DEMAND3
P_EEV1_P1
P_EEV1_P4
P_EEV1_P3
P_EEV1_P2
P_LED_COM3
P_LED_COM2
P_LED_COM1
P_ON_AVAILABLE
P_AN_PS_HP
P_PSW
P_AN_TH1
P_AN_TH2
P_AN_TH3
P_AN_TH4
P_AN_TH5
P_EEV1_P3
P_EEV1_P4
P_EEV1_P2
P_EEV1_P1
C60
0.1
<B>
THERMISTOR ( PIPE - MID. TEMP. )
THERMISTOR ( PIPE TEMP. )
THERMISTOR ( DISCHARGE TEMP. )
THERMISTOR ( COMP. TEMP. )
THERMISTOR ( OUTDOOR TEMP. )
PRESSURE SWITCH
PRESSURE SENSOR HIGH
EXPANSION VALVE
DC FAN MOTOR 2
DC FAN MOTOR 1
FLASH ( MAIN )
DEMAND OF RESPONSE
EX. IN 2
EX. IN 1
EX. OUT 2
EX. OUT 1
12V
INDICATOR PCB
C66
10k
<1/10W>
C96
10k
<1/10W>
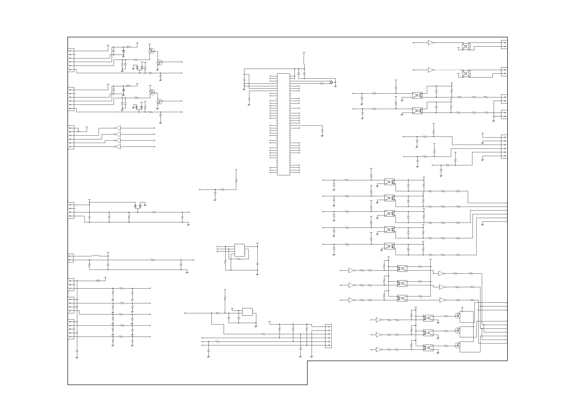
OUTDOOR UNIT
MAIN PCB - 2
AOHG45LETL : K10BS-1203HUE-C1
AOHG54LETL : K10BS-1204HUE-C1
2013.01.21 11
( MAIN )
2
3
1
3
2
1
3
2
1
3
2
1
3
1
2
3
2
1
I C111-1
uLN2003
340V
C804
0.01
<B>
R807
1.0k
<1/10W>
D802
DAN217U
5V
5V
Q802
DTC143EUA
Q803
DTA143EUA
15V-2
R806
10k
<1/10W>
C803
4.7/
50V
+
R805
22k
<1/10W>
D803
RD24FM
R804
27k
<1/10W>
15V-2
L801
BL02Rn1
C805
0.1
<B>
340V
15V-2
R803
1.0k
<1/10W>
C801
0.01
<B>
D800
DAN217U
Q800
DTC143EUA
Q801
DTA143EUA
15V-2
L800
BL02Rn1
C802
0.1
<B>
D801
RD24FM
R800
27k
<1/10W>
R801
22k
<1/10W>
C800
4.7/
50V
+
5V
5V
R802
10k
<1/10W>
1
2
3
4
5
6
1
2
3
4
5
6
P_FM1_PWM
P_FM1_FB
P_FM2_PWM
P_FM2_FB
2
3
1
3
2
1
3
2
1
3
2
1
3
1
2
3
2
1
I C111-1
uLN2003
340V
C804
0.01
<B>
R807
1.0k
<1/10W>
D802
DAN217U
5V
5V
Q802
DTC143EUA
Q803
DTA143EUA
15V-2
R806
10k
<1/10W>
C803
4.7/
50V
+
D803
RD24FM
R804
27k
<1/10W>
15V-2
L801
BL02Rn1
C805
0.1
<B>
340V
15V-2
R803
1.0k
<1/10W>
C801
0.01
<B>
D800
DAN217U
Q800
DTC143EUA
Q801
DTA143EUA
15V-2
L800
BL02Rn1
C802
0.1
<B>
D801
RD24FM
R800
27k
<1/10W>
R801
22k
<1/10W>
C800
4.7/
50V
+
5V
5V
R802
10k
<1/10W>
1
2
3
4
5
6
1
2
3
4
5
6
P_FM1_PWM
P_FM1_FB
P_FM2_PWM
P_FM2_FB

Related product manuals