EasyManua.ls Logo

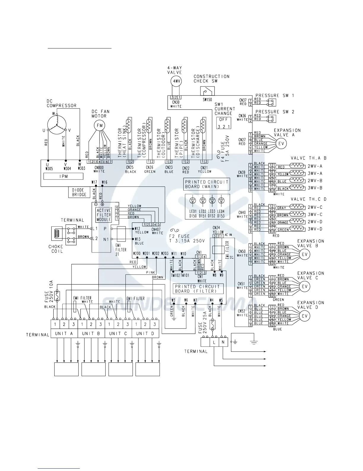
General ARH9LUAB - OUTDOOR UNIT ELECTRICAL CIRCUIT

General ARH9LUAB
26 pages
Print Icon
To Next Page IconTo Next Page
To Next Page IconTo Next Page
To Previous Page IconTo Previous Page
To Previous Page IconTo Previous Page
Loading...
Model : AOH30LMAW4
72005.05.25
INDOOR
UNIT A
INDOOR
UNIT B
INDOOR
UNIT C
INDOOR
UNIT D
TO POWER
SOURCE
www.enindel.com

Related product manuals