EasyManua.ls Logo

GENMAX GM2800iA - Page 34

GENMAX GM2800iA
37 pages
Print Icon
To Next Page IconTo Next Page
To Next Page IconTo Next Page
To Previous Page IconTo Previous Page
To Previous Page IconTo Previous Page
Loading...
33
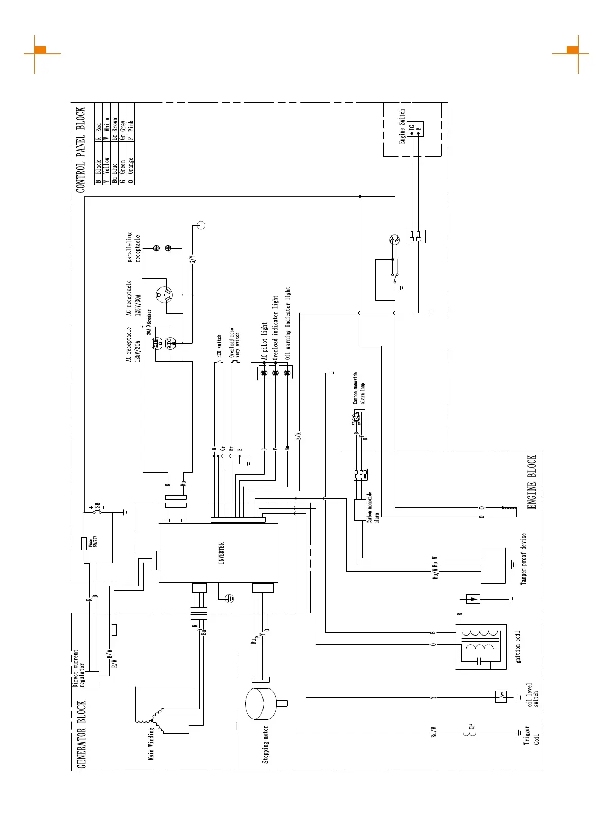
GM3500iAD SCHEMATICS
CIRCUIT DIAGRAM
Fuel oil solenoid valve
Green light
Blue light
LED double color light

Related product manuals