EasyManua.ls Logo

GENMAX GM2800iA - Page 35

GENMAX GM2800iA
37 pages
Print Icon
To Next Page IconTo Next Page
To Next Page IconTo Next Page
To Previous Page IconTo Previous Page
To Previous Page IconTo Previous Page
Loading...
34
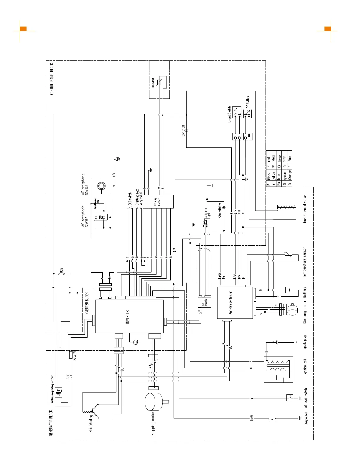
GM3500iAED SCHEMATICS
CIRCUIT DIAGRAM

Related product manuals