EasyManua.ls Logo

German pool GPU-3.5 - Page 12

German pool GPU-3.5
16 pages
Print Icon
To Next Page IconTo Next Page
To Next Page IconTo Next Page
To Previous Page IconTo Previous Page
To Previous Page IconTo Previous Page
Loading...
P.12
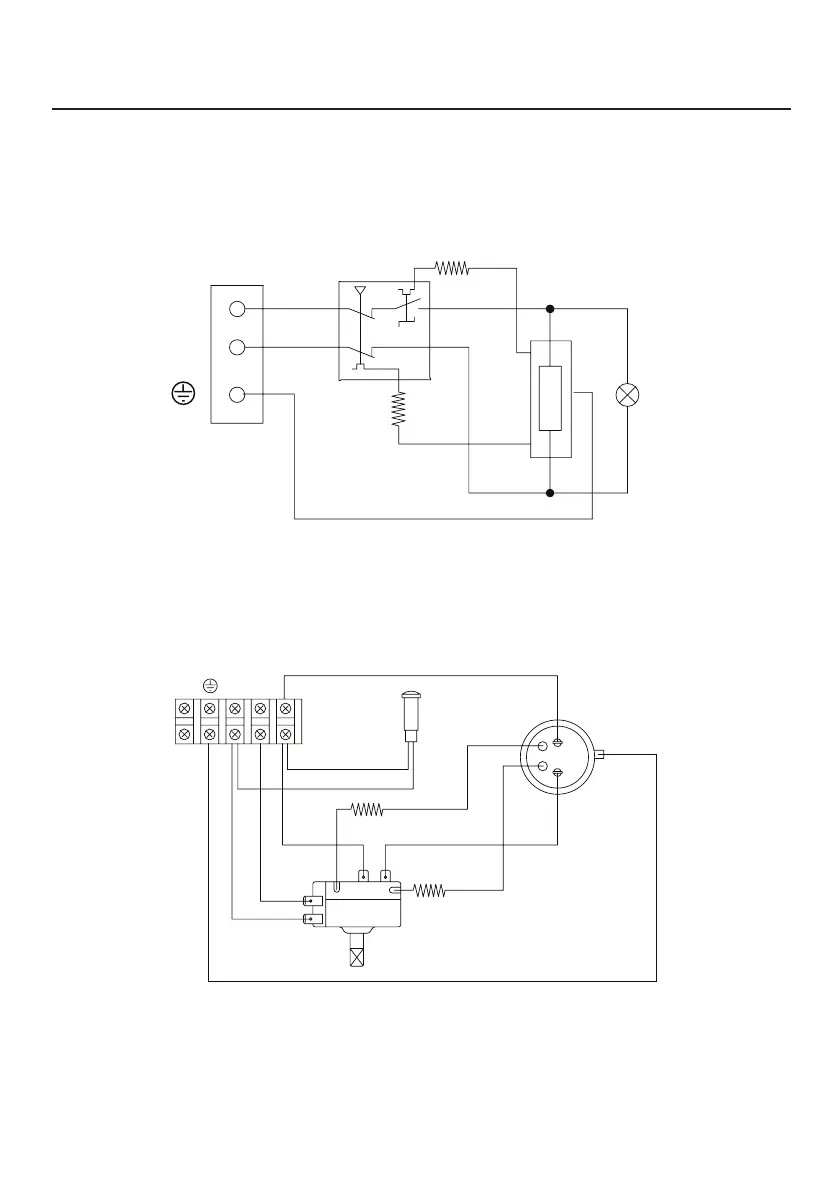
L
N
2
1
B
A
LN
恆溫器及斷路裝置
Thermostat & Cutout
顯示燈
Light
發熱線
Heating Element
恆溫器及斷路裝置
Thermostat & Cutout
顯示燈
Light
發熱線
Heating Element
GPU (單相 1-Phase 220 V)
電路圖 Wiring Diagram

Related product manuals