EasyManua.ls Logo

German pool GPU-3.5 - 電路圖 Wiring Diagram

German pool GPU-3.5
16 pages
Print Icon
To Next Page IconTo Next Page
To Next Page IconTo Next Page
To Previous Page IconTo Previous Page
To Previous Page IconTo Previous Page
Loading...
P.11
L
N
B
2
B
A A1
2
1
L N
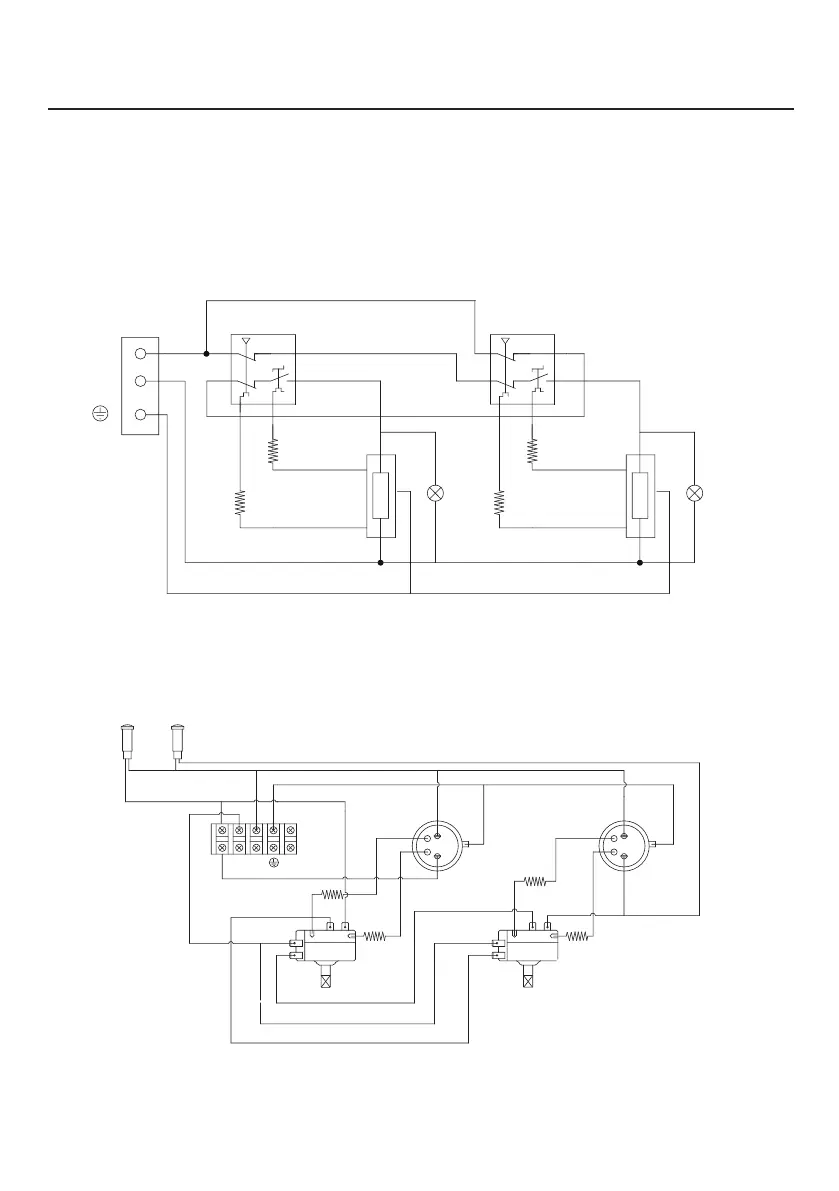
使用說明 Operating Instructions
GPU-8SL (單相 1-Phase 220 V)
恆溫器及斷路裝置1
Thermostat & Cutout 1
恆溫器及斷路裝置2
Thermostat & Cutout 2
發熱線1
Heating Element 1
發熱線2
Heating Element 2
顯示燈1
Light 1
顯示燈2
Light 2
恆溫器及斷路裝置1
Thermostat & Cutout 1
恆溫器及斷路裝置2
Thermostat & Cutout 2
顯示燈1, 2
Light 1, 2
發熱線1
Heating Element 1
發熱線2
Heating Element 2
電路圖 Wiring Diagram

Related product manuals