EasyManua.ls Logo

GESTRA UNA 38 - Page 38

GESTRA UNA 38
48 pages
Print Icon
To Next Page IconTo Next Page
To Next Page IconTo Next Page
To Previous Page IconTo Previous Page
To Previous Page IconTo Previous Page
Loading...
38
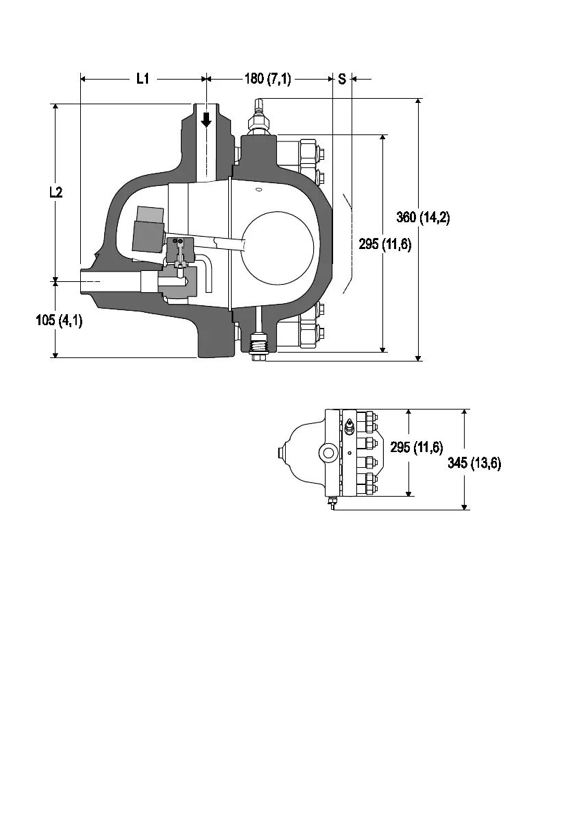
Dimensions and weights for UNA 39