EasyManua.ls Logo

Giant MP Series - Exploded View - MP Series

Giant MP Series
12 pages
Print Icon
To Next Page IconTo Next Page
To Next Page IconTo Next Page
To Previous Page IconTo Previous Page
To Previous Page IconTo Previous Page
Loading...
4
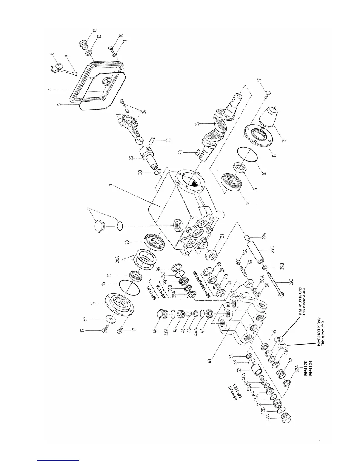
Exploded View - MP Series