EasyManua.ls Logo

GIGA K2F - Appendix: Electrical Diagrams

Default Icon
22 pages
Print Icon
To Next Page IconTo Next Page
To Next Page IconTo Next Page
To Previous Page IconTo Previous Page
To Previous Page IconTo Previous Page
Loading...
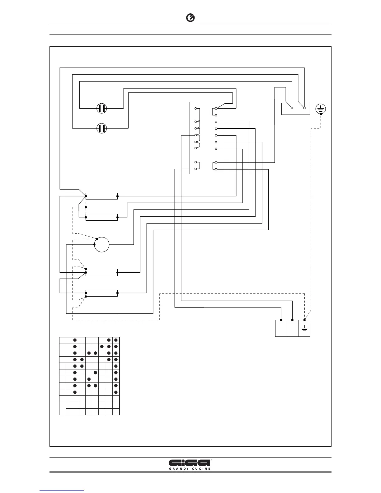
7 - APPENDIX: ELECTRICAL DIAGRAMS
011_03 - GAS KITCHENS
19 · 22
07/2009
NL
A
21
1
2
3
4
P1
P2
P3
P4
P5
P6
P7
P8
5
6
7
8
C
R
G
RC
RG
MV
~
RV
RS
T
9
8
7
6
5
4
3
2
1
0
B1
87 6 5 4 3 2 1
P8 P7 P6 P5 P4 P3 P2 P1
K4FSFCE
RG
RS
RV
MV
T
Grill heating element
Bottom heating element
Fan heating element
Motorized fan
Thermostat
A
C
R
G
RC
Terminal board
Commutator
Green indicator light
Yellow indicator light
Top heating element