EasyManua.ls Logo

GIGA K2F - Page 21

Default Icon
22 pages
Print Icon
To Next Page IconTo Next Page
To Next Page IconTo Next Page
To Previous Page IconTo Previous Page
To Previous Page IconTo Previous Page
Loading...
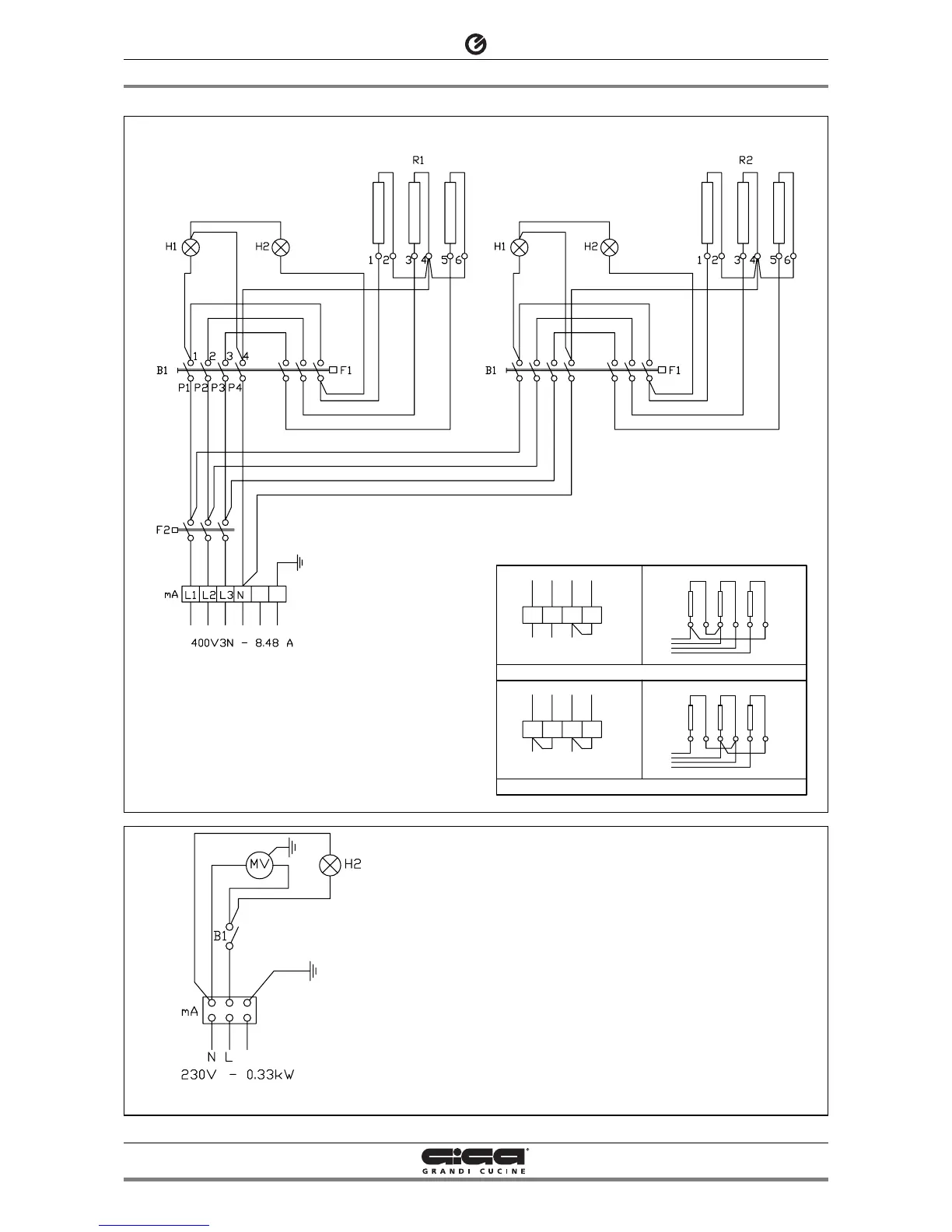
7 - APPENDIX: ELECTRICAL DIAGRAMS
011_03 - GAS KITCHENS
21 · 22
07/2009
PE
PE
K4FFE 4 - K4FSFE 4 - K6FFE 4 - K8FFE 4
K4FSFCG
mA
B1
MV
H2
Terminal board
Fan switch
Motorized fan
Indicator light
mA
B1
F1
F2
H1
H2
R1
R2
Terminal board
Switch
Thermostat
Temperature limiter
Green indicator light
Orange indicator light
Upper heating elements
Lower heating elements
3
2
1
0
B2
5
P3 P5P4 P2P6
672134
230 V 3 ~ 14.75 A
13 524 6
R1/R2
230 V ~ 25.7 A
13 524 6
R1/R2
L1 N
1 mA234
1 mA234
L1 L2 L3