EasyManua.ls Logo

GILCREST PavMaster 414 - Hydraulic System

Default Icon
124 pages
Print Icon
To Next Page IconTo Next Page
To Next Page IconTo Next Page
To Previous Page IconTo Previous Page
To Previous Page IconTo Previous Page
Loading...
51
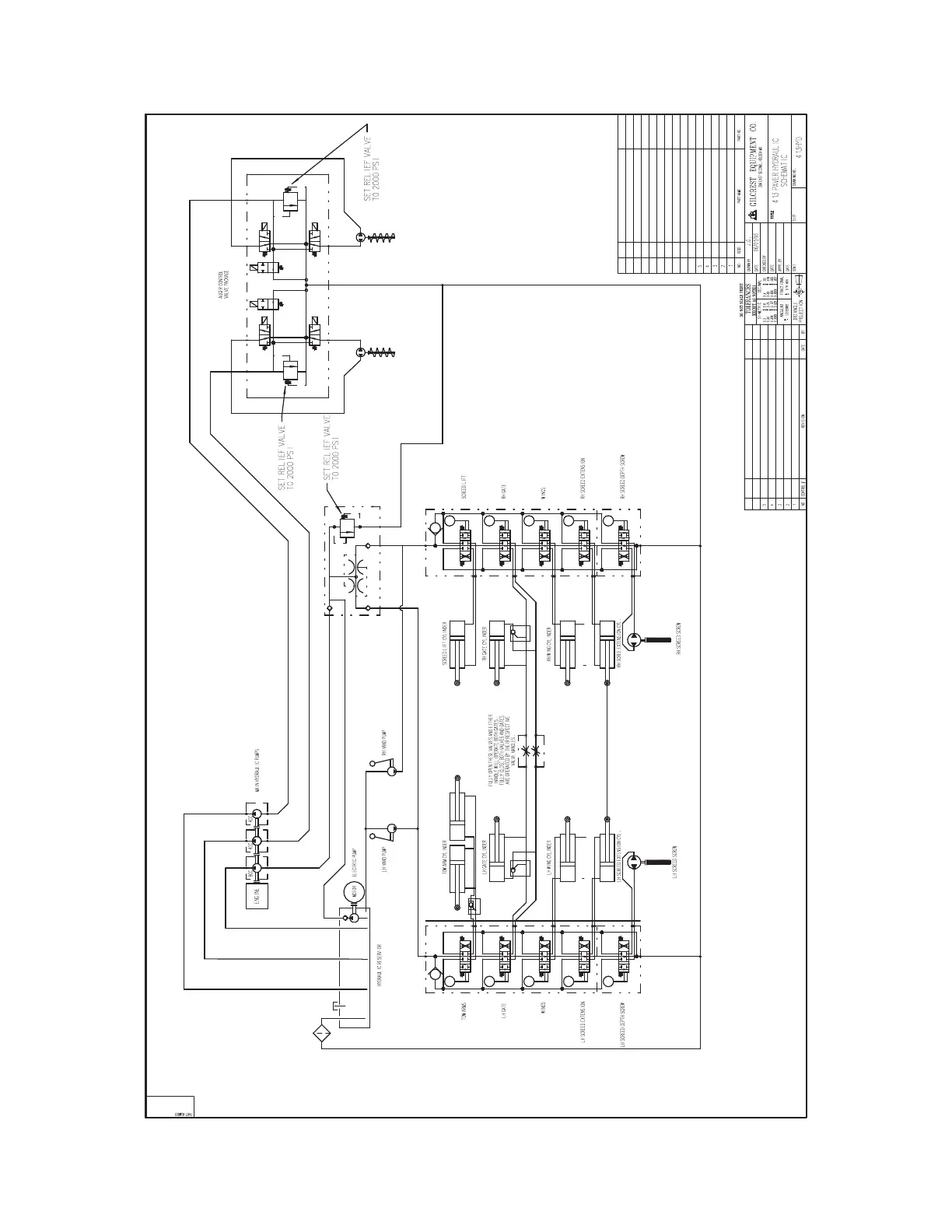
Hydraulic Schematic
(414 Only)

Related product manuals