EasyManua.ls Logo

Glow-worm Ultimate 30FF - Page 32

Glow-worm Ultimate 30FF
40 pages
Print Icon
To Next Page IconTo Next Page
To Next Page IconTo Next Page
To Previous Page IconTo Previous Page
To Previous Page IconTo Previous Page
Loading...
32
221518L
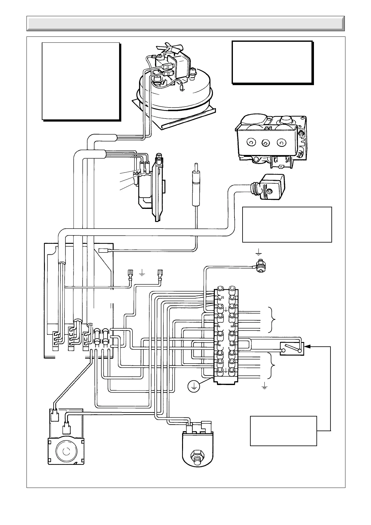
9 Fault Finding
Diagram 9.7
SWITCH CONTROL,
TIME SWITCH,
PROGRAMMER ETC.
(if fitted)
C
NO
L
9
w
y
w
g/y
K1
K2
FAN
g/y
r
r
bk
y
AIR
PRESSURE
SWITCH
CHASSIS EARTH
g/y
w
g/y
CHASSIS
EARTH
or
p
3-PLUGS
OVERHEAT
CUTOFF
b
L
230~50Hz
PERMANENT
MAINS
SUPPLY
FUSED
AT 3-AMP
N
E
N
g/y
br
CIRCULATON
PUMP
L
r
See
NOTE:
SL
P
PN
FULLY PUMPED
OPEN VENTED
OR SEALED
WATER SYSTEM
5860
b
N
b
br
b
MULTI-FUNCTIONAL
CONTROL
br
b
Remove red link between
9 and SL when fitting a time
control etc (If no switch is fitted,
link will make the circulation
pump run constantly).
ELECTRODE
NC
KEY:
b-BLUE
bk - BLACK
br - BROWN
g/y - GREEN/YELLOW
or - ORANGE
p-PURPLE
r-RED
y-YELLOW
w-WHITE
3
2
y
p
b
br
g/y
br
y
SEQUENCE
BOARD
FUSES
F1 & F2
(F1A)
CONTROL
THERMOSTAT
E

Related product manuals