EasyManua.ls Logo

GMC Denali 2004 - Page 337

GMC Denali 2004
452 pages
Print Icon
To Next Page IconTo Next Page
To Next Page IconTo Next Page
To Previous Page IconTo Previous Page
To Previous Page IconTo Previous Page
Loading...
Notice:
If the jumper cables are removed in the
wrong order, electrical shorting may occur and
damage the vehicle. The repairs would not be
covered by your warranty. Remove the jumper
cables in the correct order, making sure that the
cables do not touch each other or other metal.
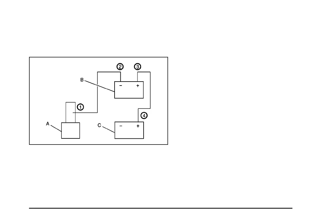
A. Heavy, Unpainted Metal Engine Part or Remote
Negative Terminal
B. Good Battery or Remote Positive (+) and Remote
Negative () Terminals
C. Dead Battery or Remote Positive (+) Terminal
To disconnect the jumper cables from both vehicles do
the following:
1. Disconnect the black negative () cable from the
vehicle that had the bad battery.
2. Disconnect the black negative () cable from
vehicle with the good battery.
3. Disconnect the red positive (+) cable from the
vehicle with the good battery.
4. Disconnect the red positive (+) cable from the other
vehicle.
5. Return the positive (+) remote terminal cover to its
original position.
Jumper Cable Removal
5-45

Table of Contents

Related product manuals