EasyManua.ls Logo

GMC GMT 610 - Spare Tire Carrier, 155 WB - G 237;337 (05;06)

GMC GMT 610
80 pages
Print Icon
To Next Page IconTo Next Page
To Next Page IconTo Next Page
To Previous Page IconTo Previous Page
To Previous Page IconTo Previous Page
Loading...
G/H Van (GMT 610) 2005
G/H VAN
(
GMT 610
)
60
PAGE
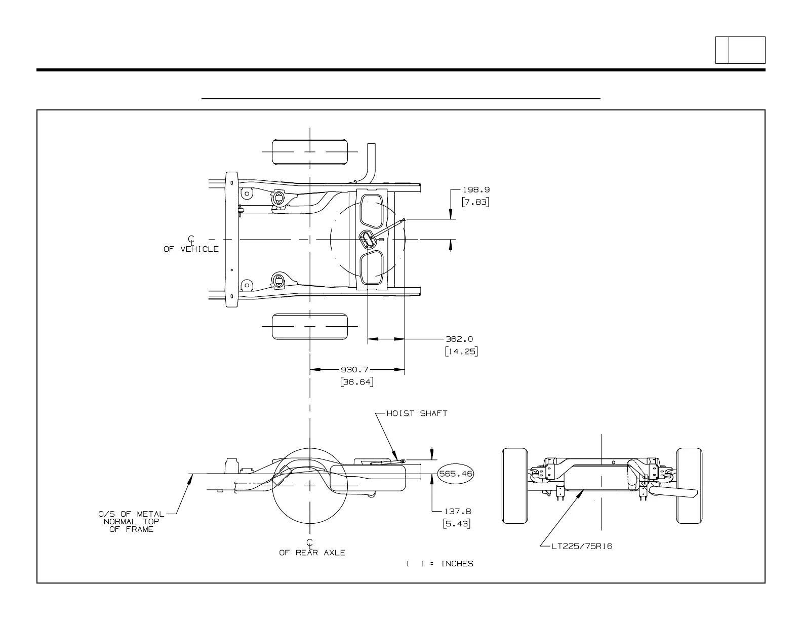
Spare Tire Carrier, 155” WB – G 237/337 (05/06)
TD006017b

Table of Contents

Related product manuals