EasyManua.ls Logo

GMC GMT 610 - Rear Axle;Tire Data Illustration

GMC GMT 610
80 pages
Print Icon
To Next Page IconTo Next Page
To Next Page IconTo Next Page
To Previous Page IconTo Previous Page
To Previous Page IconTo Previous Page
Loading...
G/H Van (GMT 610) 2005
G/H VAN
(
GMT 610
)
63
PAGE
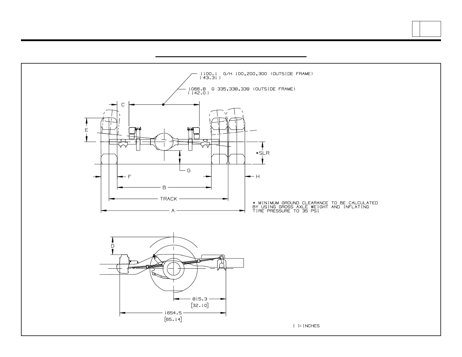
Rear Axle/Tire Data Illustration
TD005980a

Table of Contents

Related product manuals