EasyManua.ls Logo

Goodman GSX13 - Page 47

Goodman GSX13
48 pages
Print Icon
To Next Page IconTo Next Page
To Next Page IconTo Next Page
To Previous Page IconTo Previous Page
To Previous Page IconTo Previous Page
Loading...
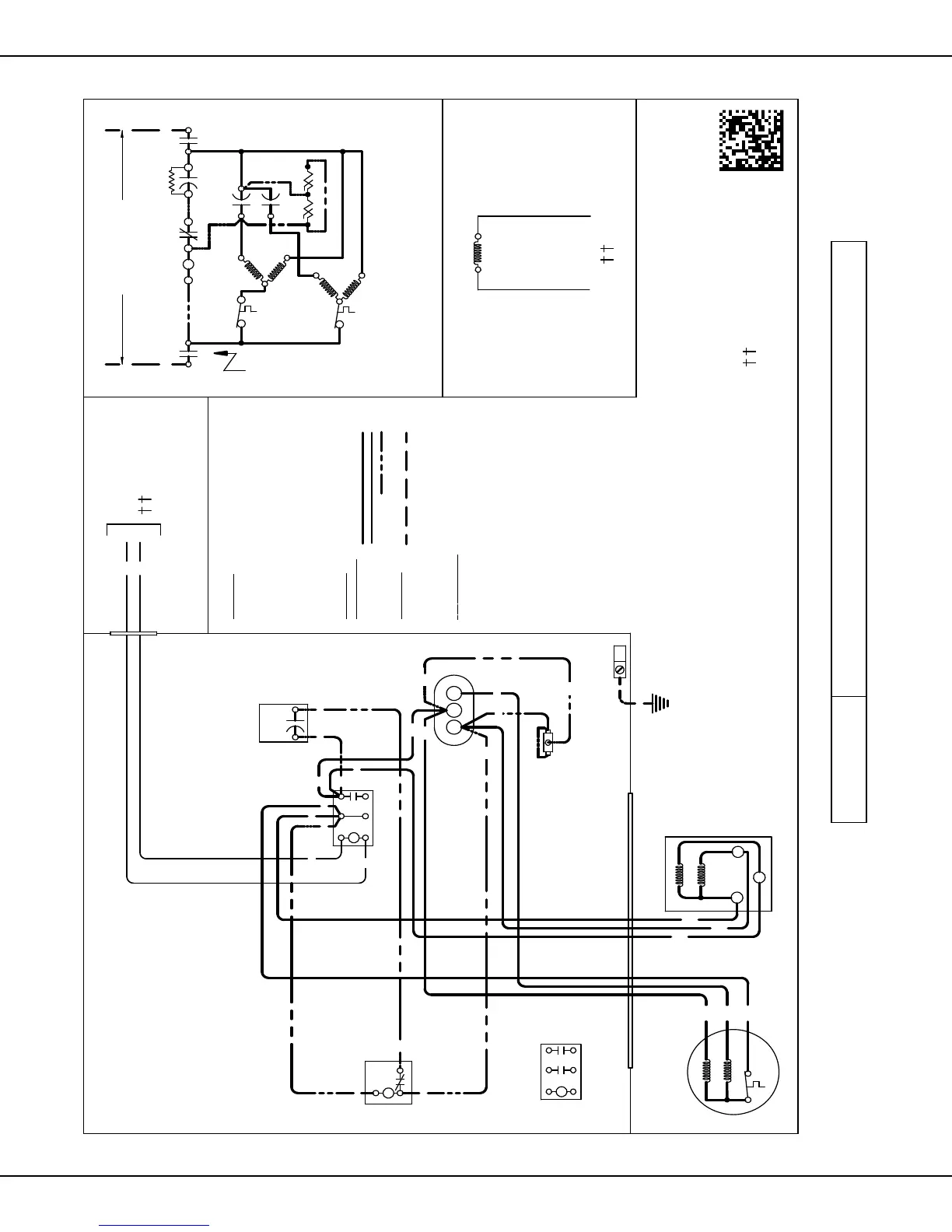
Wiring Diagram— GSX130(30-61)1**
46 www.goodmanmfg.com SS-GSX13
SS-GSX13 www.goodmanmfg.com 47

    

WARNING
High Voltage:           

USE N.E.C. CLASS 2 WIRE
COMP
ALTERNATE DOUBLE
POLE CONTACTOR ONLY
IO
T1
C
M
A
I
N
R
A
U
X
5
S
SR
SA
2
1
RCCF
SC
T2
C
L1 L2
(IF USED)
CH
C
F
M
A
I
N
A
U
X
C
C
0140R00015P-C
BL
Y
C
LVJB
COLOR CODE
BK --------------- BLACK
BL --------------- BLUE
BR --------------- BROWN
OR --------------- ORANGE
PU --------------- PURPLE
RD --------------- RED
WH -------------- WHITE
YL ---------------- YELLOW
CONTROL BOX
COMPONENT CODE
C --------------- CONTACTOR
CM ------------ OUTDOOR FAN MOTOR
COMP -------- COMPRESSOR
IO -------------- INTERNAL OVERLOAD
LVJB ---------- LOW VOLTAGE JUNCTION BOX
RCCF --------- RUN CAPACITOR FOR COMPRESSOR & FAN
SA ------------- START ASSIST
SC ------------- START CAPACITOR FOR COMPRESSOR (OPTIONAL)
SR ------------- START RELAY FOR COMPRESSOR (OPTIONAL)
CONTROLS SHOWN WITH THERMOSTAT IN 'OFF' POSITION.
OUTDOOR POWER SUPPLY
SEE RATING PLATE
WIRING CODE
FACTORY WIRING
HIGH VOLTAGE
LOW VOLTAGE
OPTIONAL HIGH VOLTAGE
FIELD WIRING
HIGH VOLTAGE
IO
CM
Y
YL
YL
C
R
S
RD
BK
AUX
MAIN
COMP
SEE NOTE 1
SC
RD
BL
RCCF
YL
PU
YL
SR
5
2
1
BK
YL
BL
RD
YL
BL
RD
RD
BKBK
BK
C
T1
L1
T2
L2
SA
(IF USED)
NOTE 2
EQUIPMENT GROUND
SEE NOTE 3
PU
BR
BK
MAIN
AUX
CM
IO
T1
L1
T2
L2
ALTERNATE DOUBLE POLE
CONTACTOR
NOTES:
1) TO INDOOR UNIT LOW VOLTAGE TERMINAL BLOCK &
INDOOR THERMOSTAT.
2) START ASSIST FACTORY EQUIPPED WHEN REQUIRED.
3) USE COPPER CONDUCTORS ONLY.
H
F
C
RD
RD
RD
BR
SEE NOTE 1

Other manuals for Goodman GSX13

Related product manuals