EasyManua.ls Logo

Graco 1095 - Page 72

Graco 1095
88 pages
Print Icon
To Next Page IconTo Next Page
To Next Page IconTo Next Page
To Previous Page IconTo Previous Page
To Previous Page IconTo Previous Page
Loading...
Diagrams and Parts
72 3A6342A
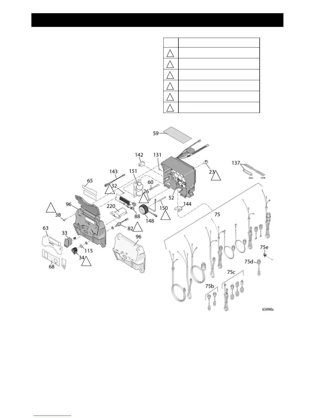
Control Box Diagram
Ref. Torque
10-15 in-lb (1.1 - 1.7 N•m)
40-45 in-lb (4.5 - 5.0 N•m)
200-230 in-lb (22.6 - 25.9 N•m)
30-35 in-lb (3.3 - 3.9 N•m)
15-20 in-lb (1.7 - 2.2 N•m)
2-3 in-lb (0.2 - 0.4 N•m)
1
2
3
4
5
6
1
2
3
2
4
5
6

Related product manuals