EasyManua.ls Logo

Graco 1095 - Page 77

Graco 1095
88 pages
Print Icon
To Next Page IconTo Next Page
To Next Page IconTo Next Page
To Previous Page IconTo Previous Page
To Previous Page IconTo Previous Page
Loading...
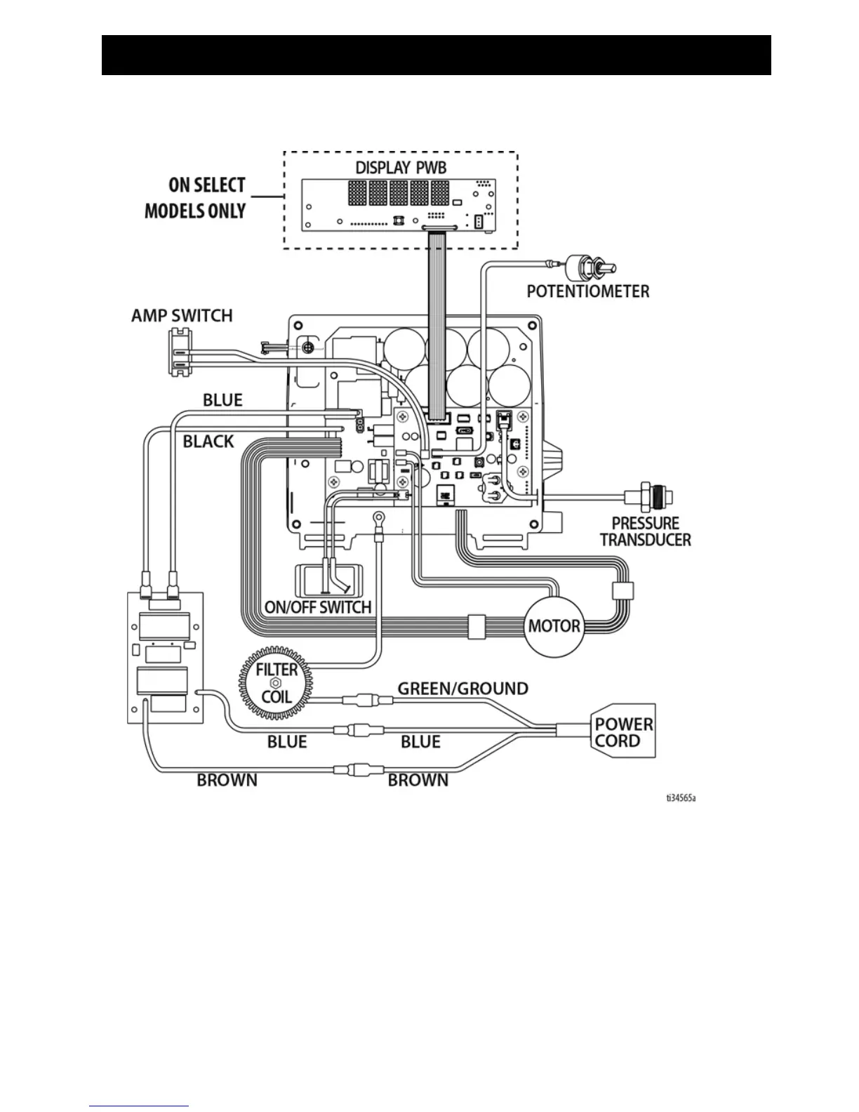
Wiring Diagrams
3A6342A 77
Mark X (International)

Related product manuals