EasyManua.ls Logo

Graco 25M212 - Typical Installations

Graco 25M212
14 pages
Print Icon
To Next Page IconTo Next Page
To Next Page IconTo Next Page
To Previous Page IconTo Previous Page
To Previous Page IconTo Previous Page
Loading...
Installation
6 3A4936E
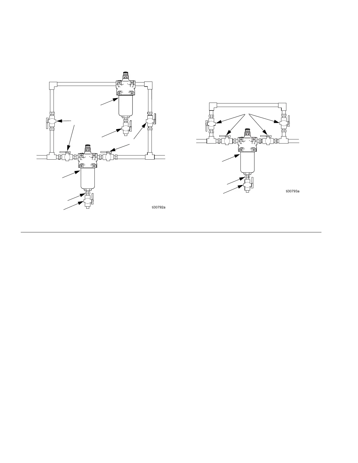
Typical Installations
Key:
A Red Alert Filter - Allow 3 in. (76 mm) minimum clearance
below the filter for easy removal of the bowl (2). (Supplied
by Graco.) (See Parts on page 10.)
B Fluid Drain Valve (3/4-16 UNF) (Graco part, 248271)
(Supplied by customer, optional)
C Fluid Shutoff Valve (3/4-14 NPT) (Supplied by customer.)
D High-Pressure Adapter (Graco part, 15M861) (Supplied
by customer, optional)
FIG. 1: Typical Installations
Dual Filter System Filter Bypass System
IN
OUT
IN
OUT
C
C
A
B
A
B
A
B
C
D
D

Related product manuals