EasyManua.ls Logo

Graco Magnum ProX9 - Page 43

Graco Magnum ProX9
52 pages
Print Icon
To Next Page IconTo Next Page
To Next Page IconTo Next Page
To Previous Page IconTo Previous Page
To Previous Page IconTo Previous Page
Loading...
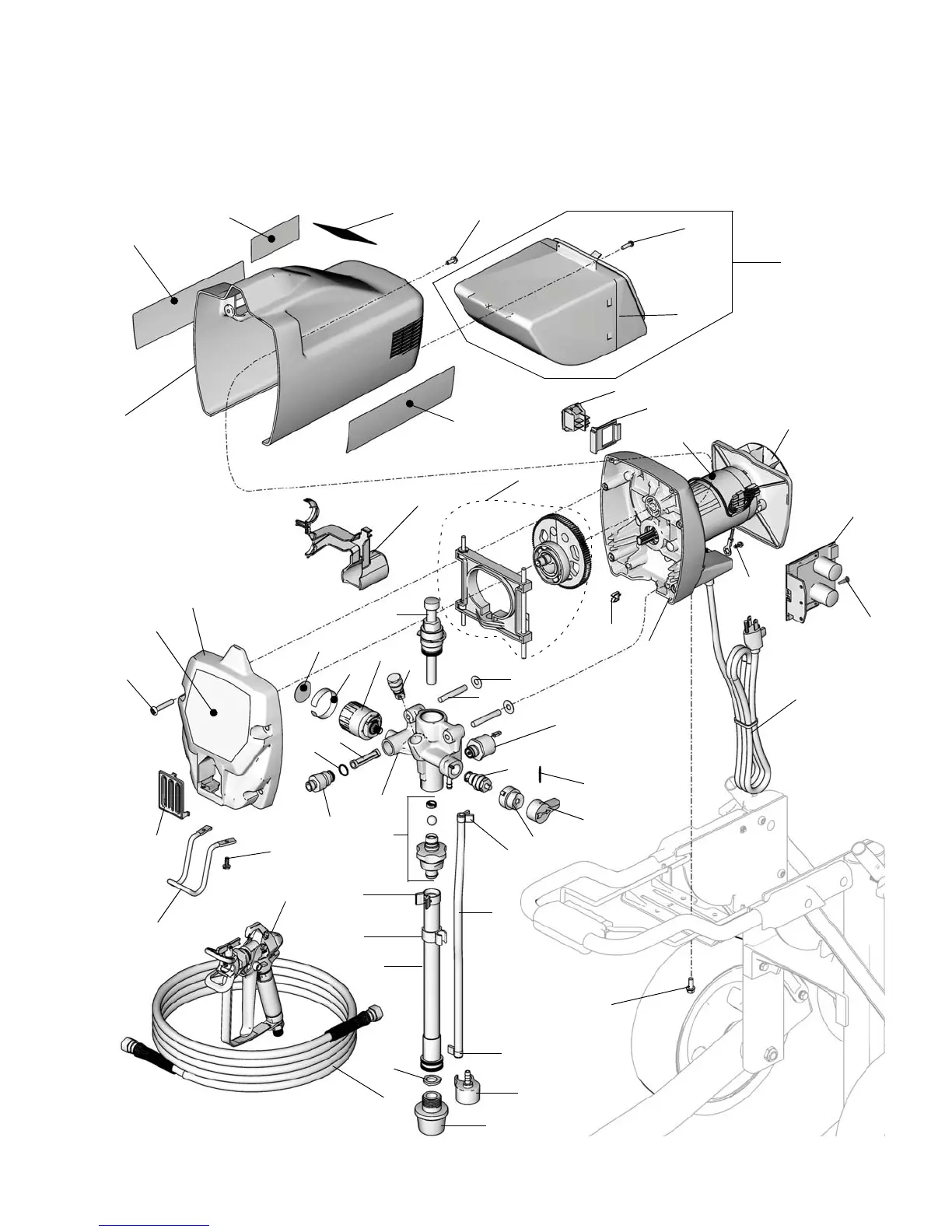
Parts
312667K 43
ProX7 and ProX9 Models 261815 and 261820 (Series A and B)
45
45d
116
66
45a
44
47
85
59
116
68
58
52
56
50
49
55
51
39
40
34
32
34
33
30
29
53
31
63b
63g
46
62b
67
67c
67b
67a
57
116
110
41
81
45b
45c
85
68a
63a
42
37
63d
63c
62a
35
62
ti9503b
63e
Series A Only
63f

Other manuals for Graco Magnum ProX9

Related product manuals