EasyManua.ls Logo

Graco XP50 - Heated Hose Recirculation Pump

Graco XP50
94 pages
Print Icon
To Next Page IconTo Next Page
To Next Page IconTo Next Page
To Previous Page IconTo Previous Page
To Previous Page IconTo Previous Page
Loading...
Parts
3A0420ZAF 73
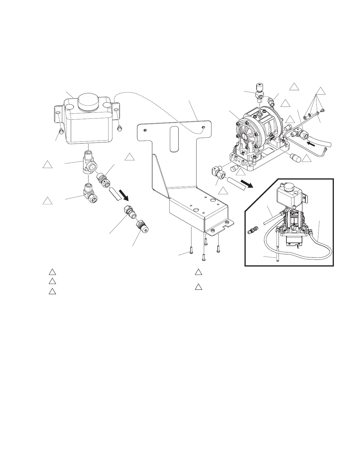
Heated Hose Recirculation Pump
273093
Mounted Heated Hose Parts List

WLD






D










Apply thread sealant to all non-swiveling pipe threads.
Orient fittings as shown.
Install two loose plugs and muffler provided with pump
in the ports indicated.
Orient fittings
approximately 15 degrees away from pump.
Install ground wire between screw and washer.
The nut is held in the slot of the pump.
1
2
4
6
8
Ref. Part Description Qty.
451 108126 FITTING, tee, street
1
452 126897 FITTING, elbow, 1/2 tube x 1/4
NPTM
2
453 126898 FITTING, elbow, 1/2 tube x 1/2
NPTM
1
454 126899 FITTING, 1/2 tube x 1/2 NPTM
1
455 16D939 FITTING, nipple, reducing
1
456 16R871 BOTTLE, overflow, 1/2 NPT
1
457 17P088 BRACKET, XP-hf, re-circ, painted
1
458 206264 VALVE, needle
1
459 24P835 PUMP, acetal, w/pvdf check,
Husky
1
460 113161 SCREW, flange, hex hd
2
461 17N910 TUBE, 35 in. x .5 OD, nylon
2
462 17N911 TUBE, blue, .5 OD, nylon
(48 in. long)
1
464 126900 FITTING, 1/2 tube x 3/8 NPTM
1
465 17D307 FITTING, nipple, quick coupling
1
468 17N795 WIRE, ground
1
Ref. Part Description Qty.

Table of Contents

Related product manuals