EasyManua.ls Logo

Graco XP50 - Pressuretrak Kit

Graco XP50
94 pages
Print Icon
To Next Page IconTo Next Page
To Next Page IconTo Next Page
To Previous Page IconTo Previous Page
To Previous Page IconTo Previous Page
Loading...
Parts
3A0420ZAF 77
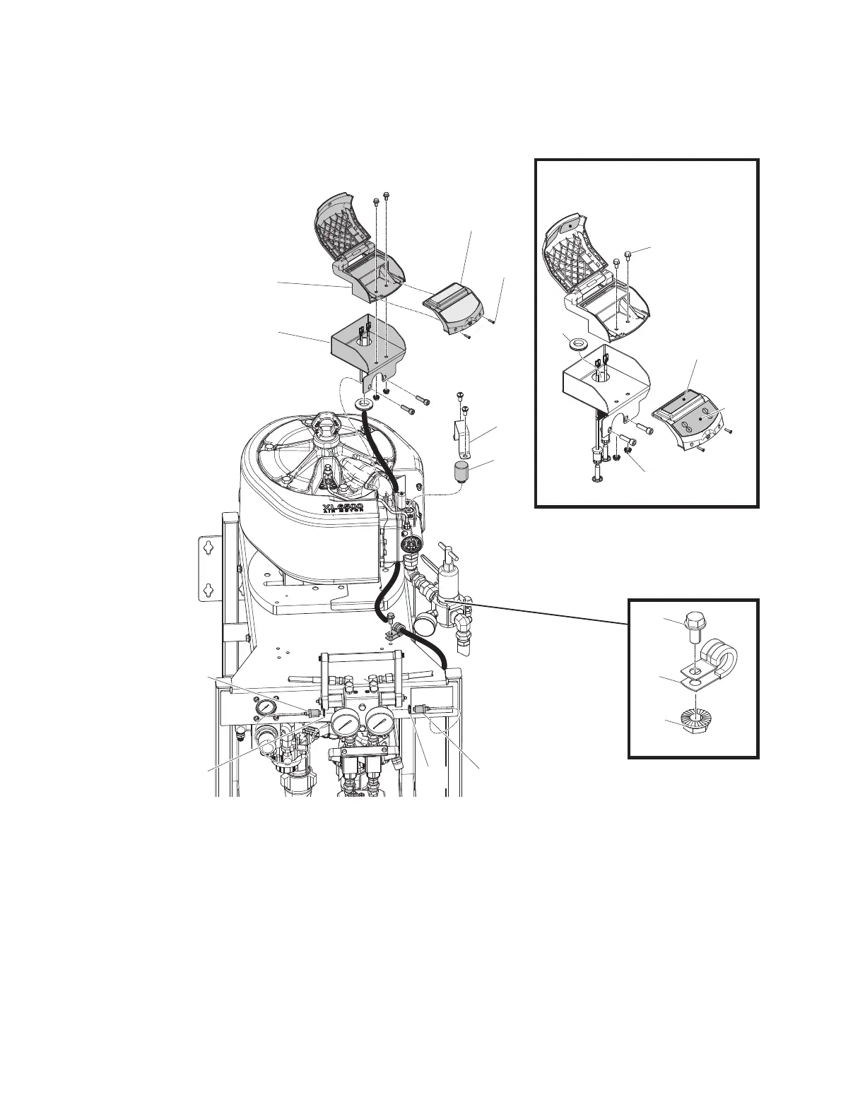
PressureTrak Kit (26C426 - XP35, 26C427 - XP50/XP70)
WLD


















Ref. Part Description Qty.
701 26C424 BRACKET, XL34 (26C426)
1
26C418 BRACKET, XL65 (26C427)
1
702 16C251 GROMMET
1
703 24Y932 HOUSING
1
704 113161 SCREW
3
705 115942 NUT, hex, flange head
3
706 24Z940 MODULE
1
707 17N936 SENSOR, PressureTrak,
assembly
2
708 15F477 SOLENOID, locking, DC
1
709 120279 SCREW, hi-low, flat hd #6 x 0.625
2
712 24V216 KIT, repair, fuse assembly
(not shown)
1
713 15F716 LABEL, warning
1
717 17R738 BRACKET, solenoid, XL
1
718 NXT405 KIT, membrane shield (pack of 20)
1
719 121399 PACKING, o-ring
2
720 128769 CLAMP, cable
1
Replacement Danger and Warning labels are
available at no cost.
Ref. Part Description Qty.

Table of Contents

Related product manuals