EasyManua.ls Logo

Grant Vortex Combi 26 - Wiring Diagrams; Control Panel Wiring Diagram - Combi V3 and Combi Max; Functional Flow Wiring Diagram - Combi V3 and Combi Max

Default Icon
64 pages
Print Icon
To Next Page IconTo Next Page
To Next Page IconTo Next Page
To Previous Page IconTo Previous Page
To Previous Page IconTo Previous Page
Loading...
49
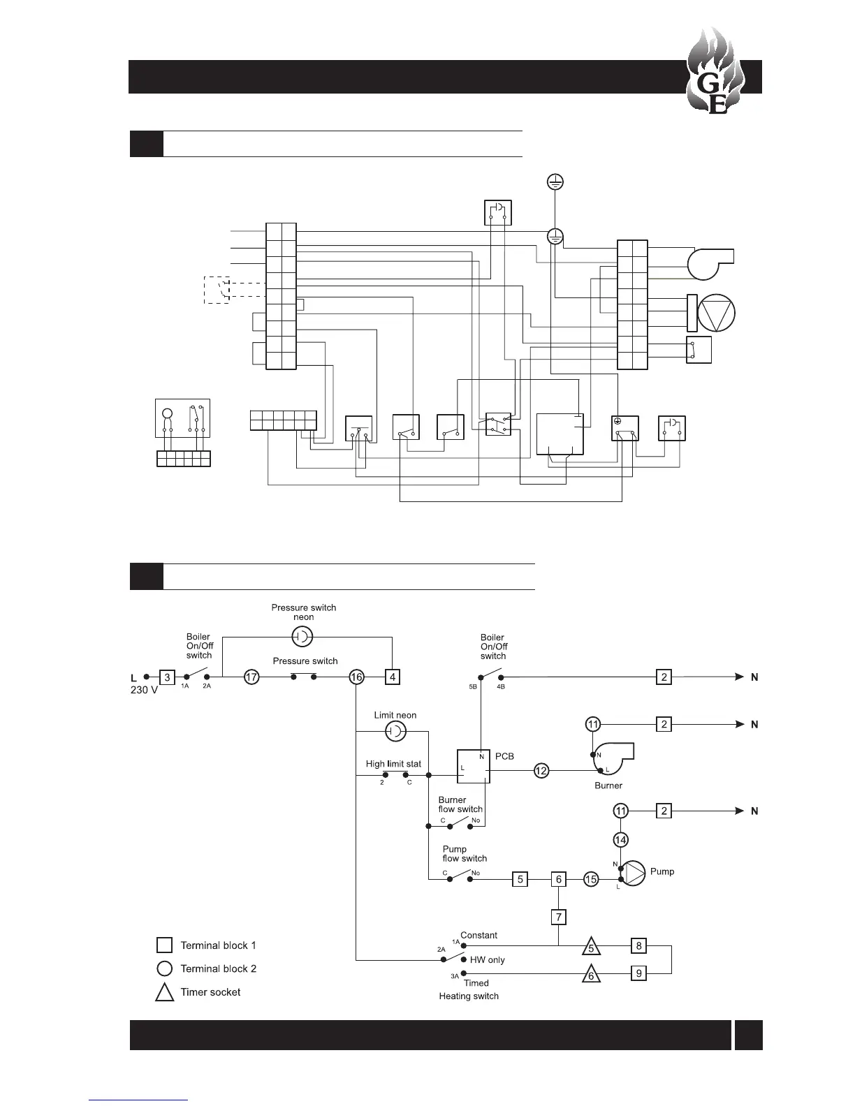
Combi V3, Combi Max and Vortex Combi models
Functional flow wiring diagram - Combi V3 and Combi Max
12.2
1 2 3 4 5 6
M
RD
RD
RD
BL
Boiler
terminal
block 2
R/S link (red)
L
8
7
6
5
9
N
E
10
12
13
14
15
16
17
'Plug in' timer socket
1A
3A
2A
Heating
switch
Boiler
on/off
switch
c/w neon
C
2
G/Y
No
C
C
No
E N L
Pump
E
L
N
Burner
Pressure
switch
Live
Neutral
Burner live
Flow switch
N
E
L
4B
5B
1A
2A
Boiler terminal
block 2
G/Y
G/Y
G/Y
G/Y
BL
BL
BL
BL
BL
BL
BL
RD
RD
RD
RD
BL
RD
RD
RD
RD
RD
RD
RD
RD
OR
RD
Y
Y
BR
BR
BR
Electonic
PCB board
BLK
Y
OR
1
2
3
4
Chassis earth
to bolt in boiler
casing
Chassis earth
to bolt in boiler
casing
Pressure switch
neon (amber)
Overheat stat
neon (red)
Limit
stat
G/Y
RD
BL
Pump
flow
switch
Burner
flow
switch
1
234
5
6
Mains supply
(use 2 pole isolator
with power 'on'
indicator)
Frost
thermostat
(if fitted)
Note: Remove link
8 to 9 (yellow) if
timer is fitted
Note: If room thermostat is
fitted, remove link 6 to 7 (red)
and connect room thermostat
in its place
'Plug in' timer
24 hr mechanical
or 7 day timer
11
G/Y
OR
Y
Colour code: BLK Black, BL Blue, BR Brown, RD Red, Y Yellow G/Y Green/Yellow, OR Orange
12 - WIRING DIAGRAMS
Control panel wiring diagram - Combi V3 and Combi Max
12.1

Table of Contents

Related product manuals