EasyManua.ls Logo

Gravely Promaster 200 - Page 54

Gravely Promaster 200
80 pages
Print Icon
To Next Page IconTo Next Page
To Next Page IconTo Next Page
To Previous Page IconTo Previous Page
To Previous Page IconTo Previous Page
Loading...
13 - 54
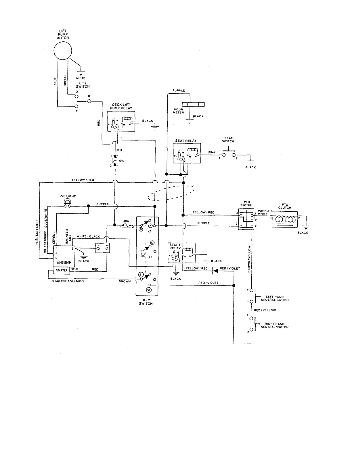
Promaster 100 Kohler Command - 50" Deck with Lift, Models 991006

Table of Contents

Related product manuals