EasyManua.ls Logo

GRE 777590 - Page 50

GRE 777590
188 pages
Print Icon
To Next Page IconTo Next Page
To Next Page IconTo Next Page
To Previous Page IconTo Previous Page
To Previous Page IconTo Previous Page
Loading...
- 47 -
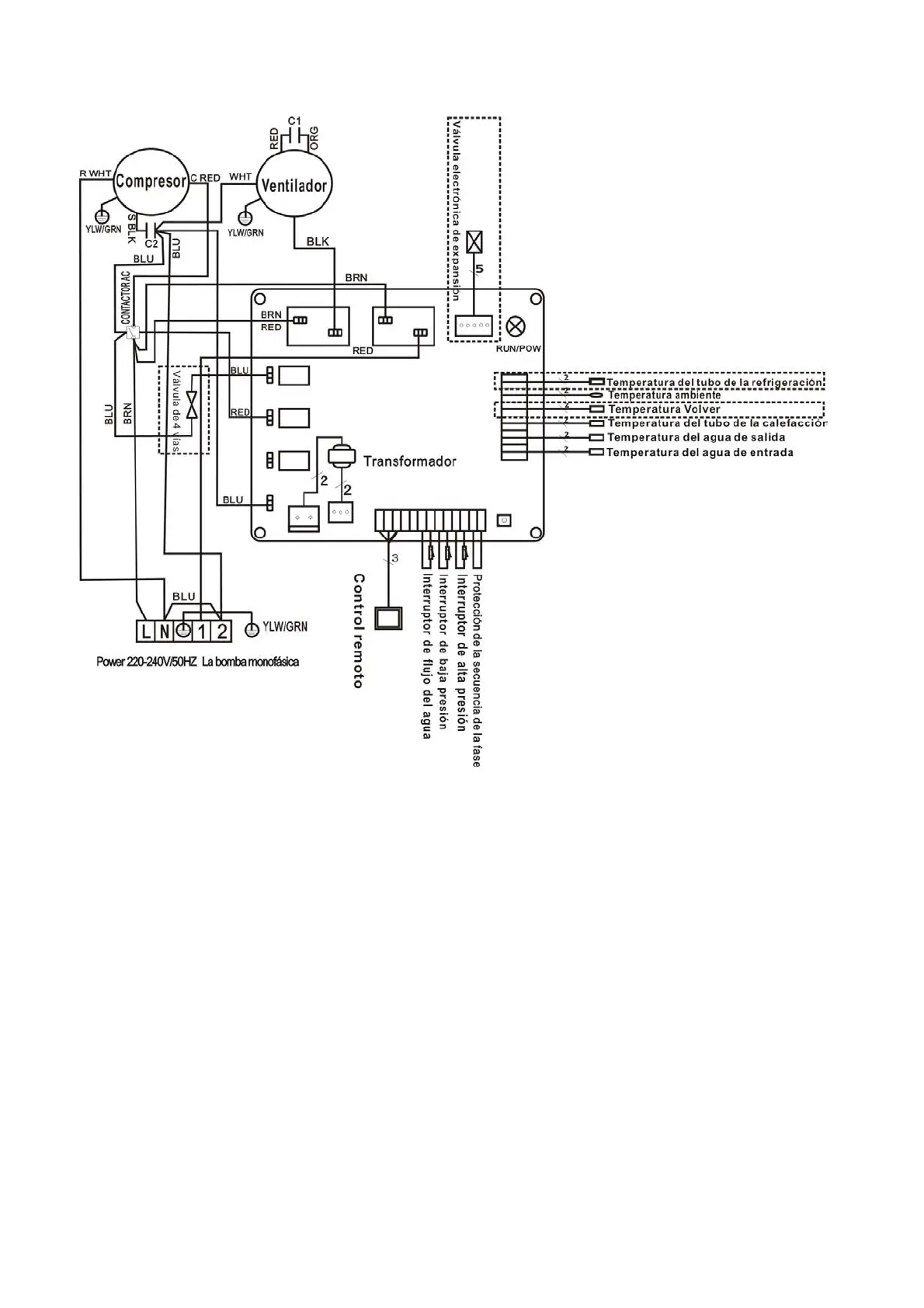
5.2CALEFACCIÓN DE LA BOMBA DE CALOR DE LA PISCINA DIAGRAMA
778392
* Las piezas señaladas a través de la línea de puntos sólo se utilizan en algunos modelos.

Related product manuals